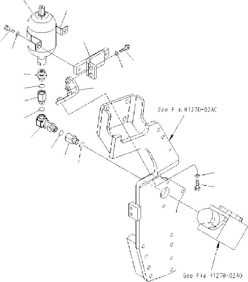
Запчасти Komatsu PC300-7 НАВЕСНОЕ ОБОРУД-Е (ACCCMULATOR НИЖН.) ( АКТУАТОР)(ДОПОЛН.) H ГИДРАВЛИКА

Схема запчастей Komatsu PC300-7 - НАВЕСНОЕ ОБОРУД-Е (ACCCMULATOR НИЖН.) ( АКТУАТОР)(ДОПОЛН.) H ГИДРАВЛИКА
7
8
10
11
6
9
5
2
5
4
5
2
5
3
14
13
1
12
FIT
1:1
100%

Артикул

Название

Примечание

Количество

1

20Y-970-6450

ACCUMULATOR A

2

201-62-71810

JOINT

3

207-62-73350

ELBOW

4

205-970-5550

NIPPLE

5

07002-12434

O-RING

6

207-62-73251

BRACKET

7

01010-81250

BOLT

8

01643-31232

WASHER

9

207-62-73240

BRACKET

10

01010-81240

BOLT

11

01643-31232

WASHER

12

17561-51750

PLATE

13

01010-81225

BOLT

14

01643-31232

WASHER

Выбрано товаров: 14