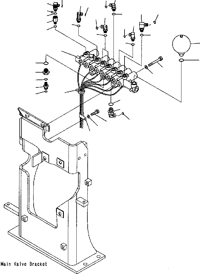
Запчасти Komatsu PC300-7 СОЛЕНОИДНЫЙ КЛАПАН (КЛАПАН) H ГИДРАВЛИКА

Схема запчастей Komatsu PC300-7 - СОЛЕНОИДНЫЙ КЛАПАН (КЛАПАН) H ГИДРАВЛИКА
26
27
24
25
15
15
15
15
15
12
15
14
13
14
10
11
9
8
7
6
15
5
4
2
3
18
16
17
1B
1C
1A
1D
1
20
19
23
21
22
FIT
1:1
100%

Артикул

Название

Примечание

Количество

1

207-60-71311

VALVE A.

|$2

207-60-71310

VALVE A.

1A

04434-51912

CLIP

1B

01010-81225

BOLT

1C

01643-31232

WASHER

1D

08034-20536

BAND

2

21W-62-42490

ELBOW

3

02896-11009

O-RING

4

207-62-72120

ELBOW

5

02896-11008

O-RING

6

11Y-62-12160

ELBOW

7

02896-11008

O-RING

8

21W-62-42490

ELBOW

9

02896-11009

O-RING

10

11Y-62-12370

ELBOW

11

02896-11008

O-RING

12

21M-62-16350

ADAPTER

13

207-62-72141

ELBOW

14

02896-11008

O-RING

15

07002-11423

O-RING

16

02782-10315

ELBOW

17

02896-11009

O-RING

18

07002-12034

O-RING

19

20Y-62-21940

FILTER A

20

07002-12034

O-RING

21

11Y-62-12520

UNION

22

02896-11009

O-RING

23

07002-11423

O-RING

24

01010-81095

BOLT

25

01643-31032

WASHER

26

22U-60-21330

ACCUMULATOR

27

07002-12034

O-RING

Выбрано товаров: 32