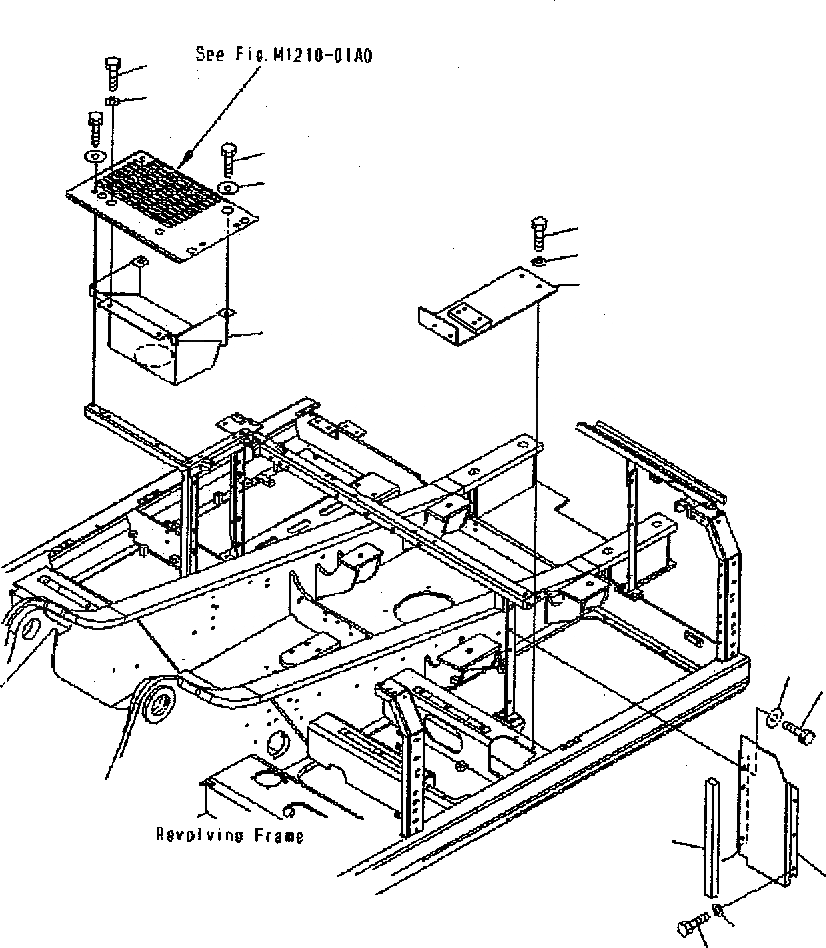
Запчасти Komatsu PC300-7 ПЕРЕГОРОДКА. (КАБИНА ЗАДН.) M ЧАСТИ КОРПУСА

Схема запчастей Komatsu PC300-7 - ПЕРЕГОРОДКА. (КАБИНА ЗАДН.) M ЧАСТИ КОРПУСА
6
7
8
11
9
10
13
14
12
1
2
3
4
5
FIT
1:1
100%

Артикул

Название

Примечание

Количество

1

207-54-72431

COVER

2

01010-81230

BOLT

3

175-54-34170

WASHER

4

01010-81230

BOLT

5

01643-31232

WASHER

6

2075475420

COVER

7

207-54-72761

SHEET

8

01010-81230

BOLT

9

01643-31232

WASHER

10

01010-81230

BOLT

11

175-54-34170

WASHER

12

207-54-J1110

COVER

|$13

207-54-71911

COVER

13

01010-81230

BOLT

14

01643-31232

WASHER

Выбрано товаров: 15