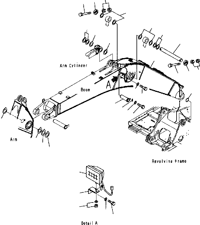
Запчасти Komatsu PC300-7 СТРЕЛА(ПАЛЕЦ ЦИЛИНДРА И ЛАМПА РАБОЧ. ОСВЕЩЕНИЯ) T РАБОЧЕЕ ОБОРУДОВАНИЕ

Схема запчастей Komatsu PC300-7 - СТРЕЛА(ПАЛЕЦ ЦИЛИНДРА И ЛАМПА РАБОЧ. ОСВЕЩЕНИЯ) T РАБОЧЕЕ ОБОРУДОВАНИЕ
16
19
18
16
17
14
15
15
14
1
2
13
12
12
8
7
9
10
10
11
23
20
22
21
6
8
7
9
4
3
5
FIT
1:1
100%

Артикул

Название

Примечание

Количество

1

207-70-61191

PIN

2

205-70-66580

PLATE

3

01010-81235

BOLT

4

01643-31232

WASHER

5

07145-00110

SEAL

6

207-70-31172

PIN

7

207-70-31242

PLATE

8

207-70-13340

BOLT

9

01580-12419

NUT

10

207-70-31340

SPACER,0.8MM

11

207-70-51320

SPACER,1.5MM

12

207-70-11340

SPACER,0.8MM

13

207-70-11350

SPACER,1.5MM

14

207-70-11360

SPACER,0.8MM

15

207-70-11370

SPACER,1.5MM

16

20Y-06-25310

WORK LAMP ASS'Y

|$17

20Y-06-A1480

WORK LAMP ASS'Y

|$18

421-06-23330

BULB,70W

|$19

01582-11411

NUT

|$20

01643-31445

WASHER

17

20Y-06-21551

BRACKET

18

01010-81430

BOLT

19

01643-31445

WASHER

20

04434-51012

CLIP

21

01010-81220

BOLT

22

01643-31232

WASHER

23

207-06-71161

WIRING HARNESS

Выбрано товаров: 27