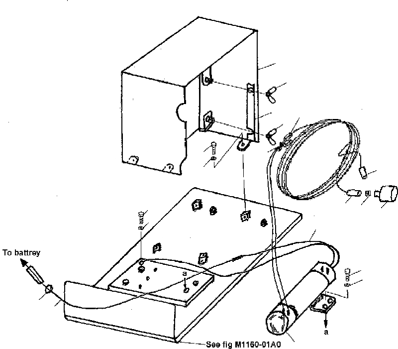
Запчасти Komatsu PC300-7 НАСОС АВТОМАТИЧ. ЗАПРАВКИ ТОПЛИВА W РАЗНОЕ

Схема запчастей Komatsu PC300-7 - НАСОС АВТОМАТИЧ. ЗАПРАВКИ ТОПЛИВА W РАЗНОЕ
15
14
2
3
11
12
6
9
8
9
10
4
5
6
7
4
13
2
3
1
FIT
1:1
100%

Артикул

Название

Примечание

Количество

1

207-04-J1211

PUMP

|$2

08040-01500

FUSE 15A

2

01010-80816

BOLT

3

01643-30823

WASHER

4

07261-22044

HOSE (OUTLET)

5

07261-22030

HOSE (INLET)

6

07281-00359

CLAMP

7

207-04-31150

STRAINER

8

207-04-J1160

CASE

9

01541-21260

WING NUT

10

207-04-J1170

PLATE

11

01010-81016

BOLT

12

01643-31032

WASHER

13

207-06-J1160

WIRE

14

207-06-61220

WIRE

15

08034-00414

BAND

Выбрано товаров: 16