Запчасти Komatsu PC300-7 ПРОВОДКА (СОЕДИНЕНИЕ) (ДЛЯ ПОДАЮЩ.) Y РЕМ. КОМПЛЕКТЫ И COMPONENT

Схема запчастей Komatsu PC300-7 - ПРОВОДКА (СОЕДИНЕНИЕ) (ДЛЯ ПОДАЮЩ.) Y РЕМ. КОМПЛЕКТЫ И COMPONENT
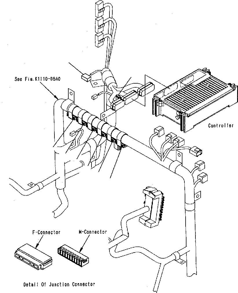
1
3
4
5
6
2
8
7
FIT
1:1
100%

Артикул

Название

Примечание

Количество

|$1

207-06-71211

WIRING HARNESS

1

JUNCTION CONNECTOR,BLACK (CN-J01)

|$3

HM6400-0012

F-CONNECTOR, BLACK

|$4

HM6409-0071

M-CONNECTOR, BLACK

2

JUNCTION CONNECTOR,BLACK (CN-J02)

|$6

HM6400-0012

F-CONNECTOR, BLACK

|$7

HM6409-0071

M-CONNECTOR, BLACK

3

JUNCTION CONNECTOR,ORANGE (CN-J03)

|$9

HM6400-0013

F-CONNECTOR GREEN

|$10

HM6409-0072

M-CONNECTOR, GREEN

4

JUNCTION CONNECTOR,ORANGE (CN-J04)

|$12

HM6400-0013

F-CONNECTOR, GREEN

|$13

HM6409-0072

M-CONNECTOR, GREEN

5

JUNCTION CONNECTOR,PINK (CN-J05)

|$15

HM6440-0129

F-CONNECTOR, PINK

|$16

HM6440-0128

M-CONNECTOR, PINK

6

JUNCTION CONNECTOR,ORANGE (CN-J06)

|$18

HM6400-0016

F-CONNECTOR, ORANGE

|$19

HM6409-0075

M-CONNECTOR, ORANGE

7

JUNCTION CONNECTOR,ORANGE (CN-J07)

|$21

HM6400-0016

F-CONNECTOR, ORANGE

|$22

HM6409-0075

M-CONNECTOR ORANGE

|$24

HM6440-0129

F-CONNECTOR, PINK

|$25

HM6440-0128

M-CONNECTOR, PINK

Выбрано товаров: 24