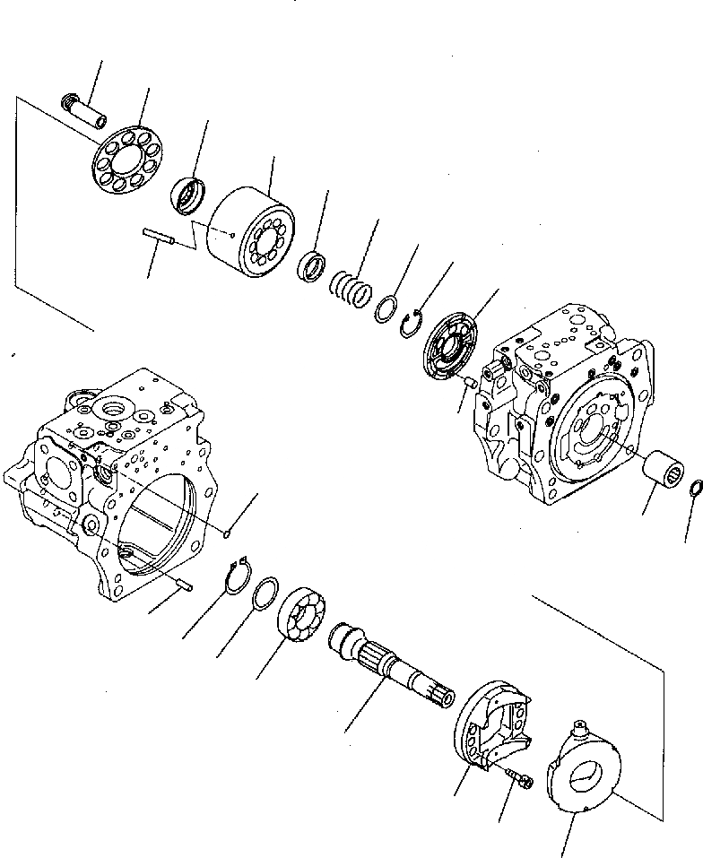
Запчасти Komatsu PC300-7 ОСНОВН. НАСОС (7/) Y РЕМ. КОМПЛЕКТЫ И COMPONENT

Схема запчастей Komatsu PC300-7 - ОСНОВН. НАСОС (7/) Y РЕМ. КОМПЛЕКТЫ И COMPONENT
18
4
3
2
19
1
16
20
17
21
22
7
13
9
10
11
8
6
15
14
12
5
FIT
1:1
100%

Артикул

Название

Примечание

Количество

22

708-2F-12420

RING

Выбрано товаров: 1