Запчасти Komatsu PC300-7E0 ТОПЛИВН. БАК.(№-97) ТОПЛИВН. БАК. AND КОМПОНЕНТЫ

Схема запчастей Komatsu PC300-7E0 - ТОПЛИВН. БАК.(№-97) ТОПЛИВН. БАК. AND КОМПОНЕНТЫ
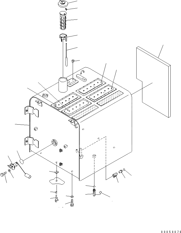
1
2
3
4
5
6
7
8
9
10
11
12
13
14
15
16
17
18
18
18
18
19
19
20
20
21
22
FIT
1:1
100%

Артикул

Название

Примечание

Количество

1

207-04-75111

TANK

1

207-04-75110

TANK

2

07700-50455

VALVE

3

8255-62-4591

CONNECTOR

4

02896-11012

O-RING

5

02782-10317

ELBOW

6

07002-12034

O-RING

7

02896-11009

O-RING

8

207-04-75310

SHEET

9

20Y-04-11161

CAP

9

20Y-04-11160

CAP

|$20

20Y-04-11240

PACKING

10

7861-92-5810

SENSOR

11

07000-13050

O-RING

12

01010-80612

BOLT

13

01643-30623

WASHER

|$27

22U-04-21241

STRAINER ASS'Y

|$28

22U-04-21200

FLOAT ASS'Y

14

22U-04-21210

GUIDE

15

20Y-04-21580

CAP

16

22U-04-21220

FLOAT

17

07056-18425

STRAINER

18

20Y-00-42110

PLATE

19

01010-81635

BOLT

20

01643-31645

WASHER

21

195-03-11570

SHIM, 1.0MM

22

07049-01215

PLUG

Выбрано товаров: 27