Запчасти Komatsu PC300-8 ЭЛЕКТРИЧ. ЭЛЕКТРОПРОВОДКА (ОСНОВН. Э/ПРОВОДКА) (/)(№-) ЭЛЕКТРИКА

Схема запчастей Komatsu PC300-8 - ЭЛЕКТРИЧ. ЭЛЕКТРОПРОВОДКА (ОСНОВН. Э/ПРОВОДКА) (/)(№-) ЭЛЕКТРИКА
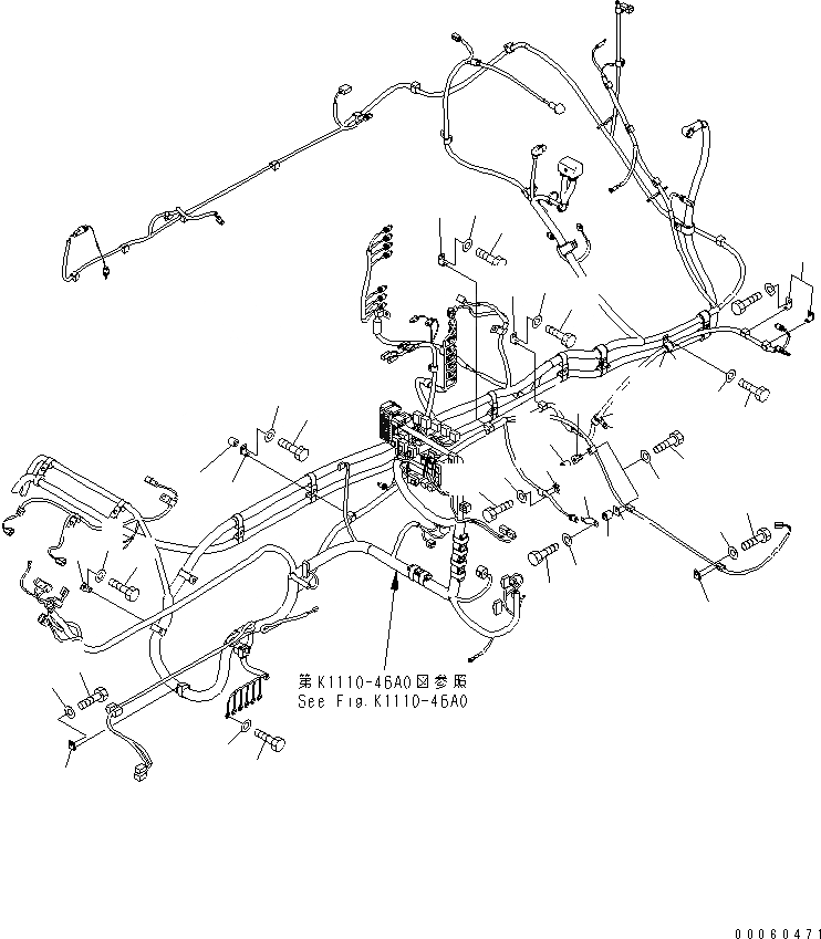
1
2
3
4
5
6
7
8
9
10
11
12
13
14
15
16
17
18
19
20
21
22
23
23
24
24
25
26
27
28
29
30
30
30
31
32
33
33
34
35
FIT
1:1
100%

Артикул

Название

Примечание

Количество

1

08057-12012

CLIP

2

01010-81225

BOLT

3

01643-31232

WASHER

4

08057-12012

CLIP

5

01010-81225

BOLT

6

01643-31232

WASHER

7

08057-12012

CLIP

8

195-33-11220

SPACER

9

01010-81250

BOLT

10

01643-31232

WASHER

11

08057-12012

CLIP

12

01010-81225

BOLT

13

01643-31232

WASHER

14

08057-12012

CLIP

15

01010-81220

BOLT

16

01643-31232

WASHER

17

08193-20012

CLIP

18

01010-81220

BOLT

19

01643-31232

WASHER

20

08057-12012

CLIP

21

01010-81225

BOLT

22

01643-31232

WASHER

23

04434-52112

CLIP

24

07095-20314

CUSHION

25

01010-81225

BOLT

26

01643-31232

WASHER

27

08057-12012

CLIP

28

01010-81020

BOLT

29

01643-31032

WASHER

30

08057-12012

CLIP

31

01010-81225

BOLT

32

01643-31232

WASHER

33

195-33-11220

SPACER

34

01010-81250

BOLT

35

01643-31232

WASHER

Выбрано товаров: 35