Запчасти Komatsu PC300-8 УПРАВЛЯЮЩ. КЛАПАН, 7-СЕКЦИОНН. (7/) (№-8) УПРАВЛЯЮЩ. КЛАПАН, БЕЗ ДОПОЛН. АКТУАТОР ТРУБЫ, АККУМУЛЯТОР

Схема запчастей Komatsu PC300-8 - УПРАВЛЯЮЩ. КЛАПАН, 7-СЕКЦИОНН. (7/) (№-8) УПРАВЛЯЮЩ. КЛАПАН, БЕЗ ДОПОЛН. АКТУАТОР ТРУБЫ, АККУМУЛЯТОР
1
2
4
5
7
20
21
8
13
12
14
15
16
17
24
23
22
5
7
7
2
7
23
2
2
5
5
24
23
3
19
18
6
6
6
6
11
10
9
8
FIT
1:1
100%

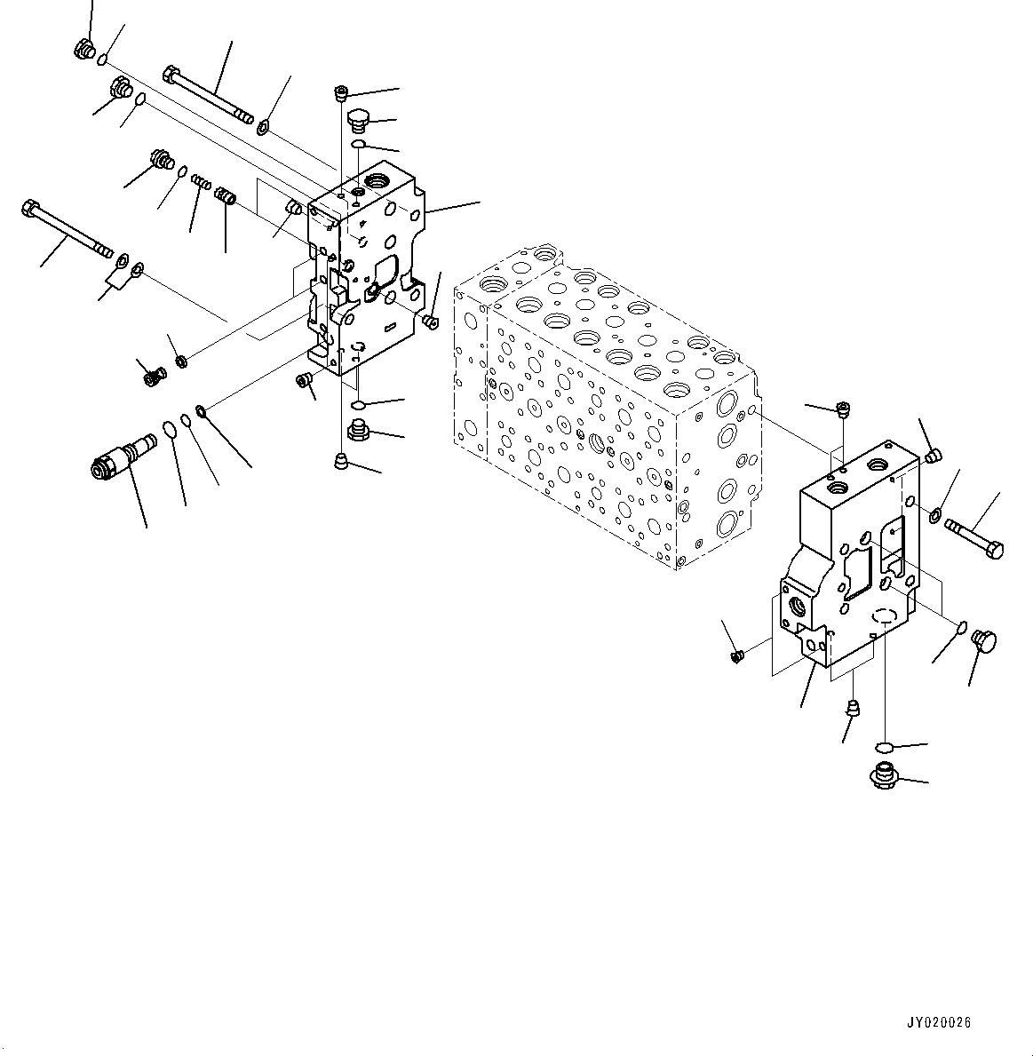
Артикул

Название

Примечание

Количество

|$0

723-47-26501

Valve Assembly, Control

|$1

723-47-26500

Valve Assembly, Control

|$2

723-46-00760

Cover Assembly

1

Cover

2

Plug

3

Plug

3

723-46-00742

Cover Assembly

4

Cover

5

Plug

6

708-8E-16250

Plug

7

07002-11823

O-ring

8

723-46-17600

Plug Assembly

9

07002-11423

O-ring

10

07000-11007

O-ring

11

07001-01007

Ring, Back-up

12

723-40-82220

Filter

13

723-46-17550

Plug

14

723-46-15190

Valve

15

723-46-14140

Spring

16

708-8E-16160

Plug

17

07002-11023

O-ring

18

709-74-91860

Plug

19

07002-12434

O-ring

20

708-8H-11530

Plug

21

07002-11423

O-ring

22

01010-61490

Bolt

23

01643-31445

Washer, Flat

24

01011-61455

Bolt

Выбрано товаров: 28