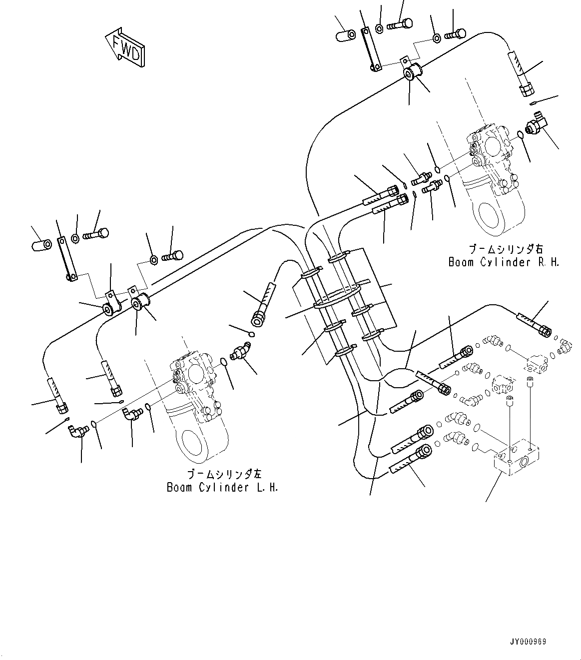
Запчасти Komatsu PC300-8 ANTI-DROP КЛАПАН ТРУБЫ, ЦИЛИНДР СТРЕЛЫ (№-) ANTI-DROP КЛАПАН ТРУБЫ, СТРЕЛА И РУКОЯТЬ

Схема запчастей Komatsu PC300-8 - ANTI-DROP КЛАПАН ТРУБЫ, ЦИЛИНДР СТРЕЛЫ (№-) ANTI-DROP КЛАПАН ТРУБЫ, СТРЕЛА И РУКОЯТЬ
19
16
6
11
12
5
7
8
24
22
9
10
4
2
26
13
14
15
43
21
1
43
23
20
4
24
28
32
16
20
30
29
17
18
41
42
33
35
34
36
37
38
40
39
3
27
31
32
28
25
44
45
FIT
1:1
100%

Артикул

Название

Примечание

Количество

1

02782-10522

Elbow

2

07002-12434

O-ring

3

02896-11015

O-ring

4

207-62-75280

Hose

5

207-977-5120

Bracket

6

6131-22-3750

Boss

7

01010-81245

Bolt

8

01643-31232

Washer

9

04434-53212

Clip

10

07095-20523

Cushion

11

01010-81225

Bolt

12

01643-31232

Washer

13

11Y-62-12510

Elbow

14

07002-11423

O-ring

15

02896-11009

O-ring

16

207-62-75310

Hose

17

11Y-62-12510

Elbow

18

07002-11423

O-ring

19

02896-11009

O-ring

20

207-62-75290

Hose

21

02783-10522

Elbow

22

07002-12434

O-ring

23

02896-11015

O-ring

24

207-62-75260

Hose

25

02782-10311

Elbow

26

07002-11423

O-ring

27

02896-11009

O-ring

28

207-62-73631

Hose

29

02782-10312

Elbow

30

07002-11423

O-ring

31

02896-11009

O-ring

32

207-62-75270

Hose

33

207-977-5120

Bracket

34

6131-22-3750

Boss

35

01010-81245

Bolt

36

01643-31232

Washer

37

04434-51912

Clip

38

07095-20213

Cushion

39

04434-52512

Clip

40

07095-20318

Cushion

41

01010-81225

Bolt

42

01643-31232

Washer

43

08034-20519

Band

44

08034-00536

Band

45

207-62-63230

Block

Выбрано товаров: 45