Запчасти Komatsu PC300-8 ЭЛЕКТРИЧ. ПРОВОДКА, ЛАМПА РАБОЧ. ОСВЕЩЕНИЯ (№-) ЭЛЕКТРИЧ. ПРОВОДКА, ЕС ARRANGEMENT, АККУМУЛЯТОР DISCONNECT ПЕРЕКЛЮЧАТЕЛЬ

Схема запчастей Komatsu PC300-8 - ЭЛЕКТРИЧ. ПРОВОДКА, ЛАМПА РАБОЧ. ОСВЕЩЕНИЯ (№-) ЭЛЕКТРИЧ. ПРОВОДКА, ЕС ARRANGEMENT, АККУМУЛЯТОР DISCONNECT ПЕРЕКЛЮЧАТЕЛЬ
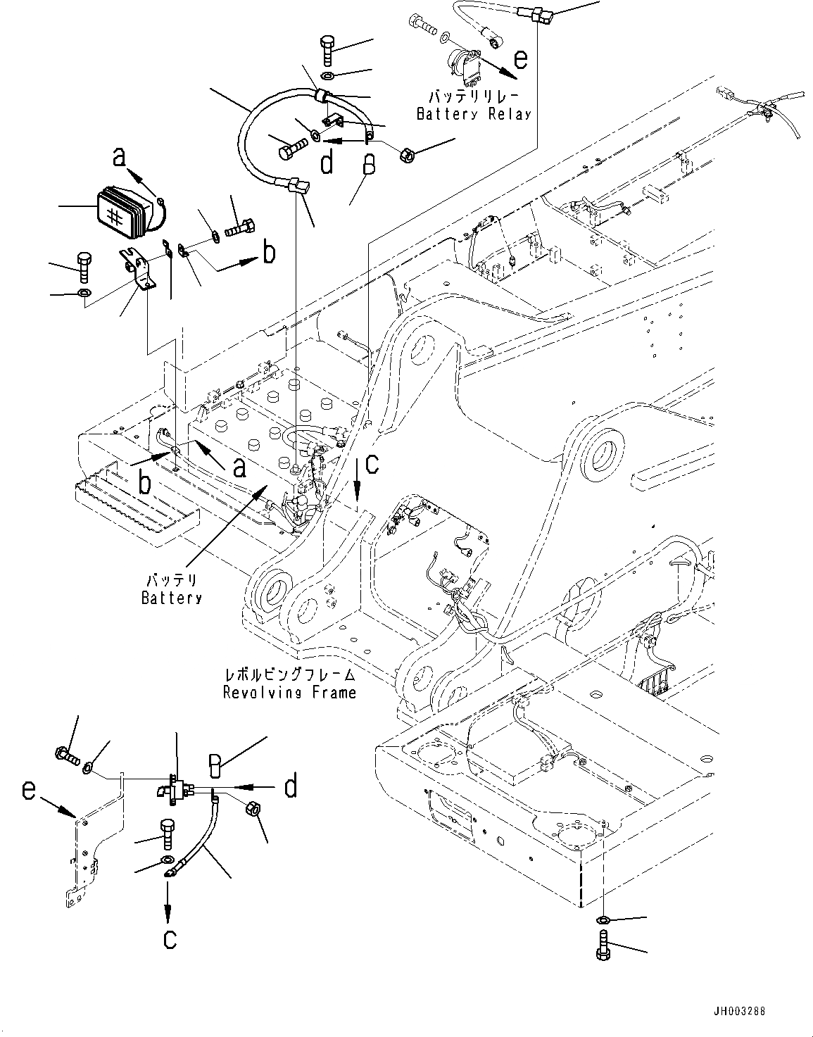
25
24
16
19
18
5
4
1
6
7
8
9
10
11
12
13
9
14
4
15
21
20
17
3
2
23
8
1
1
22
FIT
1:1
100%

Артикул

Название

Примечание

Количество

1

08068-00001

Switch, Battery

2

207-06-71280

Cable

3

08028-ED095

Cable, Ground

4

08038-00035

Cap, Terminal

5

04434-53212

Clip

6

07095-20523

Cushion

7

203-62-56381

Bracket

8

01010-81020

Bolt

9

01643-31032

Washer

10

01245-00830

Screw, Hexagon Socket Head

11

01643-70823

Washer

12

01010-81025

Bolt

13

01643-31032

Washer

14

08038-22511

Cap

15

08038-42511

Cap

16

21T-06-32810

Working Lamp Assembly

16

421-06-23330

Bulb, 70watt

17

20Y-06-31680

Bracket

18

01010-81230

Bolt

19

01643-31232

Washer

20

01010-81220

Bolt

21

01643-31232

Washer

22

08057-12012

Clip

23

08193-20012

Clip

24

01010-81016

Bolt

25

01643-31032

Washer

Выбрано товаров: 0