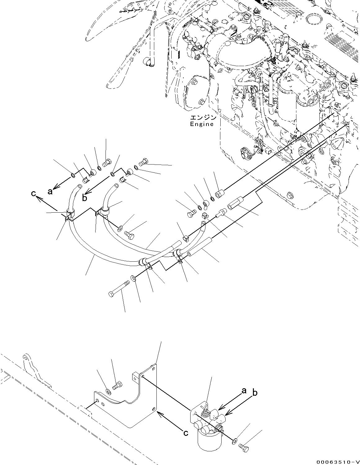
Запчасти Komatsu PC300-8 АНТИКОРРОЗ. ЭЛЕМЕНТ (№C-) АНТИКОРРОЗ. ЭЛЕМЕНТ

Схема запчастей Komatsu PC300-8 - АНТИКОРРОЗ. ЭЛЕМЕНТ (№C-) АНТИКОРРОЗ. ЭЛЕМЕНТ
15
18
18
16
17
8
9
31
27
27
28
28
30
29
4
6
5
21
21
12
12
19
10
20
11
22
22
13
13
1
23
23
24
24
25
3
2
7
14
26
FIT
1:1
100%

Артикул

Название

Примечание

Количество

1

207-01-76120

Bracket

2

01010-81230

Bolt

3

01643-31232

Washer

4

6738-61-8100

Corrosion Resistor Assembly

5

01010-81035

Bolt

6

01643-31032

Washer

7

07260-20990

Hose

8

6732-11-6130

Adapter

9

21W-04-31460

Nipple

10

6204-73-5750

Joint

11

07206-31014

Bolt, Joint

12

07005-01412

Gasket

13

11Y-09-11140

Clip

14

07260-20990

Hose

15

207-01-76110

Adapter

16

6204-73-5750

Joint

17

07206-31014

Bolt, Joint

18

07005-01412

Gasket

19

6204-73-5750

Joint

20

07206-31014

Bolt, Joint

21

07005-01412

Gasket

22

11Y-09-11140

Clip

23

04434-52312

Clip

24

07095-20314

Cushion

25

01010-81230

Bolt

26

01643-31232

Washer

27

04434-52108

Clip

28

07095-20314

Cushion

29

426-S62-2520

Bolt

30

01643-30823

Washer

31

6151-51-5490

Spacer

Выбрано товаров: 31