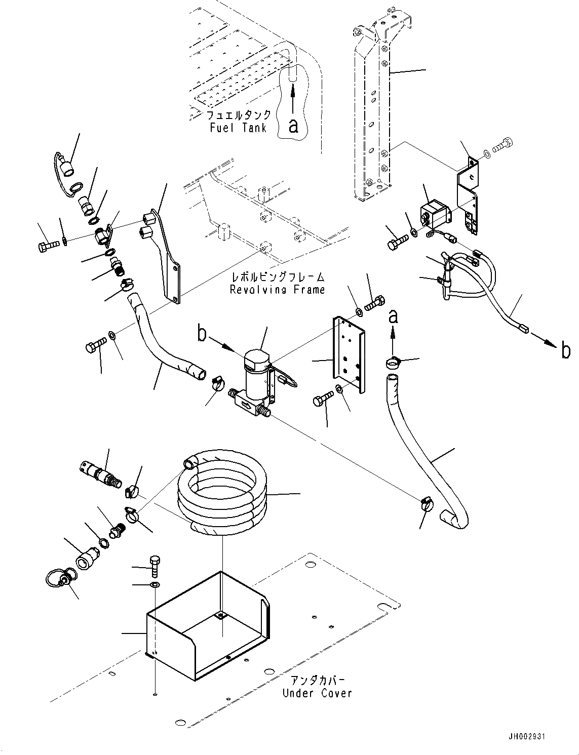
Запчасти Komatsu PC300-8 НАСОС АВТОМАТИЧ. ЗАПРАВКИ ТОПЛИВА (№C-) НАСОС АВТОМАТИЧ. ЗАПРАВКИ ТОПЛИВА

Схема запчастей Komatsu PC300-8 - НАСОС АВТОМАТИЧ. ЗАПРАВКИ ТОПЛИВА (№C-) НАСОС АВТОМАТИЧ. ЗАПРАВКИ ТОПЛИВА
13
14
17
16
28
20
21
15
18
4
1
12
18
23
22
19
29
26
25
24
36
30
11
6
19
9
7
11
32
31
27
5
35
34
33
2
17
6
11
8
10
3
FIT
1:1
100%

Артикул

Название

Примечание

Количество

1

20Y-04-K2081

Pump

2

20Y-04-K2450

Valve Assembly

3

20Y-04-K2351

Hose

4

208-04-K1550

Hose

5

207-04-75430

Hose

6

22B-04-K1130

Nipple

7

22B-04-K1140

Coupling

8

22B-04-K1150

Coupling

9

22B-04-K1160

Plug

10

22B-04-K1170

Plug

11

205-04-K1370

Washer, Seal

12

207-04-75180

Bracket

13

01010-80616

Bolt

14

01643-30623

Washer

15

01010-81225

Bolt

16

01643-31232

Washer

17

07289-00035

Clamp

18

07289-00035

Clamp

19

07289-00035

Clamp

20

207-04-75261

Bracket

21

207-06-71540

Switch Assembly

22

01010-80616

Bolt

23

01643-30623

Washer

24

207-06-75270

Wire Harness

25

04434-51412

Clip

26

08034-20519

Band

27

207-04-75420

Bracket

28

01010-81235

Bolt

29

01643-31232

Washer

30

207-04-75410

Bracket

31

01010-81225

Bolt

32

01643-31232

Washer

33

20Y-04-38170

Bracket

34

01010-81020

Bolt

35

01643-31032

Washer

36

207-54-71221

Frame

Выбрано товаров: 36