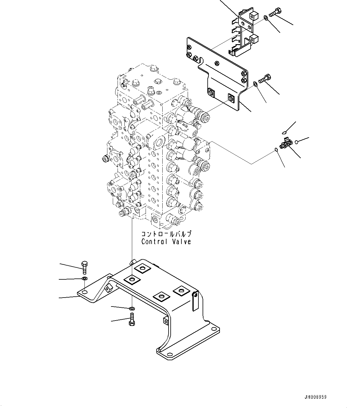
Запчасти Komatsu PC300-8M0 УПРАВЛЯЮЩ. КЛАПАН, КОРПУС КЛАПАНА (№8-) УПРАВЛЯЮЩ. КЛАПАН, С -СЕРВИСНЫЙ КЛАПАН

Схема запчастей Komatsu PC300-8M0 - УПРАВЛЯЮЩ. КЛАПАН, КОРПУС КЛАПАНА (№8-) УПРАВЛЯЮЩ. КЛАПАН, С -СЕРВИСНЫЙ КЛАПАН
15
14
13
12
11
10
9
7
8
6
4
5
2
3
1
FIT
1:1
100%

Артикул

Название

Примечание

Количество

1

207-62-77310

Bracket

2

421-70-11280

Washer

3

01010-81640

Bolt

4

01643-31645

Washer

5

01010-81645

Bolt

6

207-62-41121

Bracket

7

01643-31645

Washer

8

01010-81640

Bolt

9

207-62-77110

Bracket

10

01010-81235

Bolt

11

01643-31232

Washer

12

20Y-62-87510

Tee

13

02896-11008

O-ring

14

02896-11009

O-ring

15

07002-11423

O-ring

Выбрано товаров: 15