Запчасти Komatsu PC300-8M0 ДЕМПФЕР (№8-) ДЕМПФЕР

Схема запчастей Komatsu PC300-8M0 - ДЕМПФЕР (№8-) ДЕМПФЕР
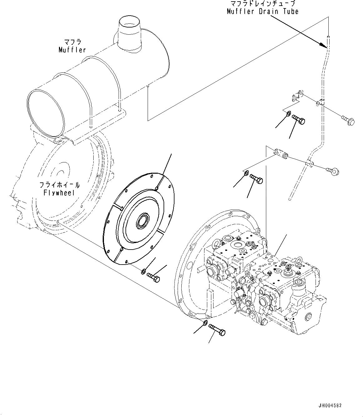
1
3
2
5
4
8
7
6
7
6
FIT
1:1
100%

Артикул

Название

Примечание

Количество

1

207-01-71310

Disc

2

01010-81225

Bolt

3

01643-31232

Washer

4

01010-81240

Bolt

5

01643-31232

Washer

6

01010-81245

Bolt

7

01643-31232

Washer

8

708-2G-00180

Pump Assembly

Выбрано товаров: 8