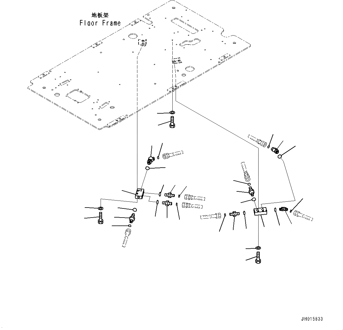
Запчасти Komatsu PC300-8M0 КАБИНА (ПОЛ, P, T БЛОК) K [КАБИНА ОПЕРАТОРА И СИСТЕМА УПРАВЛЕНИЯ]

Схема запчастей Komatsu PC300-8M0 - КАБИНА (ПОЛ, P, T БЛОК) K [КАБИНА ОПЕРАТОРА И СИСТЕМА УПРАВЛЕНИЯ]
11
10
16
15
5
4
17
6
19
9
7
8
1
18
22
20
9
3
7
2
9
7
8
8
21
23
12
20
18
19
14
13
FIT
1:1
100%

Артикул

Название

Примечание

Количество

1

20Y-62-15831

BLOCK

2

01010-81045

BOLT

3

01643-31032

WASHER

4

11Y-62-12510

ELBOW

5

02896-11009

O-RING

6

07002-11423

O-RING

7

02781-0021D

UNION

8

02896-11008

O-RING

9

07002-11423

O-RING

10

01010-81016

BOLT

11

01643-31032

WASHER

12

20Y-62-15831

BLOCK

13

01010-81045

BOLT

14

01643-31032

WASHER

15

02783-10210

ELBOW

16

02896-11008

O-RING

17

07002-11423

O-RING

18

02781-0021D

UNION

19

02896-11008

O-RING

20

07002-11423

O-RING

21

11Y-62-12510

ELBOW

22

02896-11009

O-RING

23

07002-11423

O-RING

Выбрано товаров: 23