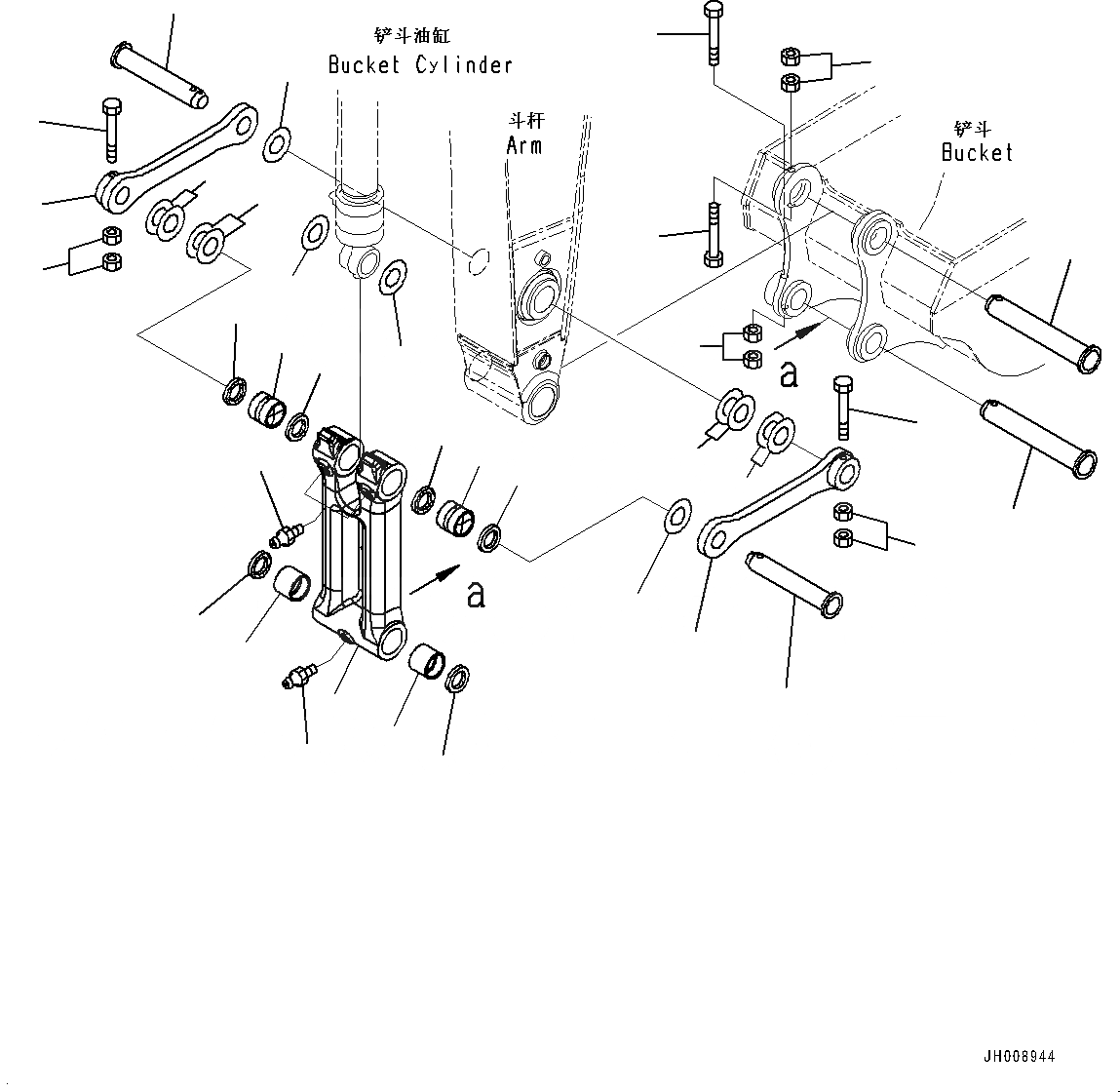
Запчасти Komatsu PC300-8M0 РУКОЯТЬ (MM УСИЛЕНН. РУКОЯТЬ, СОЕДИНЕНИЕ КОВША) T [РАБОЧЕЕ ОБОРУДОВАНИЕ]

Схема запчастей Komatsu PC300-8M0 - РУКОЯТЬ (MM УСИЛЕНН. РУКОЯТЬ, СОЕДИНЕНИЕ КОВША) T [РАБОЧЕЕ ОБОРУДОВАНИЕ]
8
9
10
11
9
11
12
6
9
7
10
11
5
3
10
5
11
9
5
3
4
12
5
11
7
10
11
5
6
2
8
1
2
4
5
FIT
1:1
100%

Артикул

Название

Примечание

Количество

-

207-70-01430

LINK ASSEMBLY

1

LINK

2

207-70-33160

BUSHING

3

207-70-33160

BUSHING

4

07020-00000

FITTING, GREASE

5

207-70-72120

SEAL, DUST

6

207-70-77460

LINK

7

207-70-73210

PIN

8

207-70-33141

PIN

9

208-70-73160

BOLT

10

01580-12419

NUT

11

207-70-24190

SPACER, T=0.8MM

12

207-70-24210

SPACER, T=1.5MM

Выбрано товаров: 13