Запчасти Komatsu PC300-8M0 ВОЗДУХООЧИСТИТЕЛЬ (С ПРЕФИЛЬТР) (/) B [КОМПОНЕНТЫ ДВИГАТЕЛЯ]

Схема запчастей Komatsu PC300-8M0 - ВОЗДУХООЧИСТИТЕЛЬ (С ПРЕФИЛЬТР) (/) B [КОМПОНЕНТЫ ДВИГАТЕЛЯ]
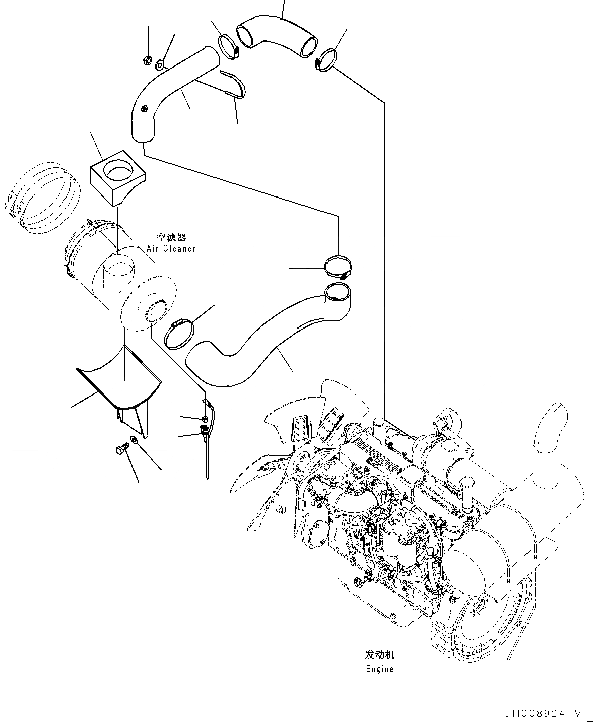
3
4
5
1
11
13
12
6
9
8
10
14
2
15
16
7
FIT
1:1
100%

Артикул

Название

Примечание

Количество

1

7861-93-1430

SENSOR, DUST INDICATOR

2

207-01-72411

BRACKET

3

11Y-01-11920

JOINT

4

207-01-72420

HOSE

5

07299-00145

CLAMP

6

07299-00130

CLAMP

7

207-01-41180

SEAL

8

01010-81225

BOLT

9

01643-31232

WASHER

10

207-01-72381

TUBE

11

07283-31185

CLIP

12

01597-01211

NUT

13

01643-31232

WASHER

14

207-01-72391

HOSE

15

07299-00130

CLAMP

16

07299-00120

CLAMP

Выбрано товаров: 16