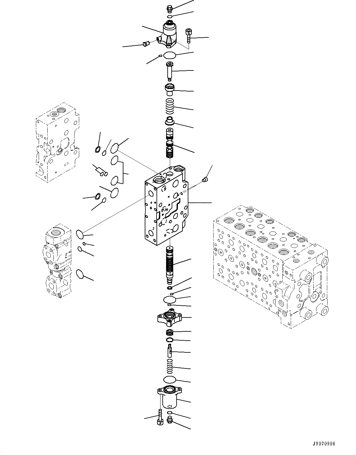
Запчасти Komatsu PC300-8M0 УПРАВЛЯЮЩ. КЛАПАН (7-СЕКЦИОНН.) (/) H [ГИДРАВЛИКА]

Схема запчастей Komatsu PC300-8M0 - УПРАВЛЯЮЩ. КЛАПАН (7-СЕКЦИОНН.) (/) H [ГИДРАВЛИКА]
27
27
26
30
29
30
1
28
28
25
29
32
31
11
15
29
23
17
13
14
12
16
23
18
22
21
19
19
24
21
22
7
9
3
5
6
4
2
20
10
8
FIT
1:1
100%

Артикул

Название

Примечание

Количество

-

723-47-25602

VALVE ASSEMBLY, CONTROL

-

723-47-25601

VALVE ASSEMBLY, CONTROL

-

BODY SUBASSEMBLY

-

BODY SUBASSEMBLY

1

BLOCK, VALVE

2

SPOOL

3

723-46-15390

PLUG

4

723-46-15370

RETAINER

5

723-46-15380

RETAINER

6

723-46-14110

SPRING

-

723-46-19900

CASE SUBASSEMBLY

7

CASE

8

PLUG

9

07430-71380

O-RING

10

01252-60820

BOLT, HEXAGON SOCKET HEAD

11

SPOOL

12

723-46-15330

BOLT

13

PISTON

14

SEAL

15

SEAL

16

723-46-14180

SPRING

17

723-46-17850

CASE

18

723-46-17860

CASE

19

723-11-19960

O-RING

20

07000-11010

O-RING

21

706-73-71450

PLUG

22

07002-11423

O-RING

23

07430-71380

O-RING

24

01252-60845

BOLT, HEXAGON SOCKET HEAD

25

PLUG

26

723-46-17530

O-RING

27

723-11-19130

O-RING

28

723-46-17520

RING, BACK-UP

29

07000-13032

O-RING

30

723-46-17510

O-RING

31

07000-12016

O-RING

32

702-16-53920

O-RING

Выбрано товаров: 37