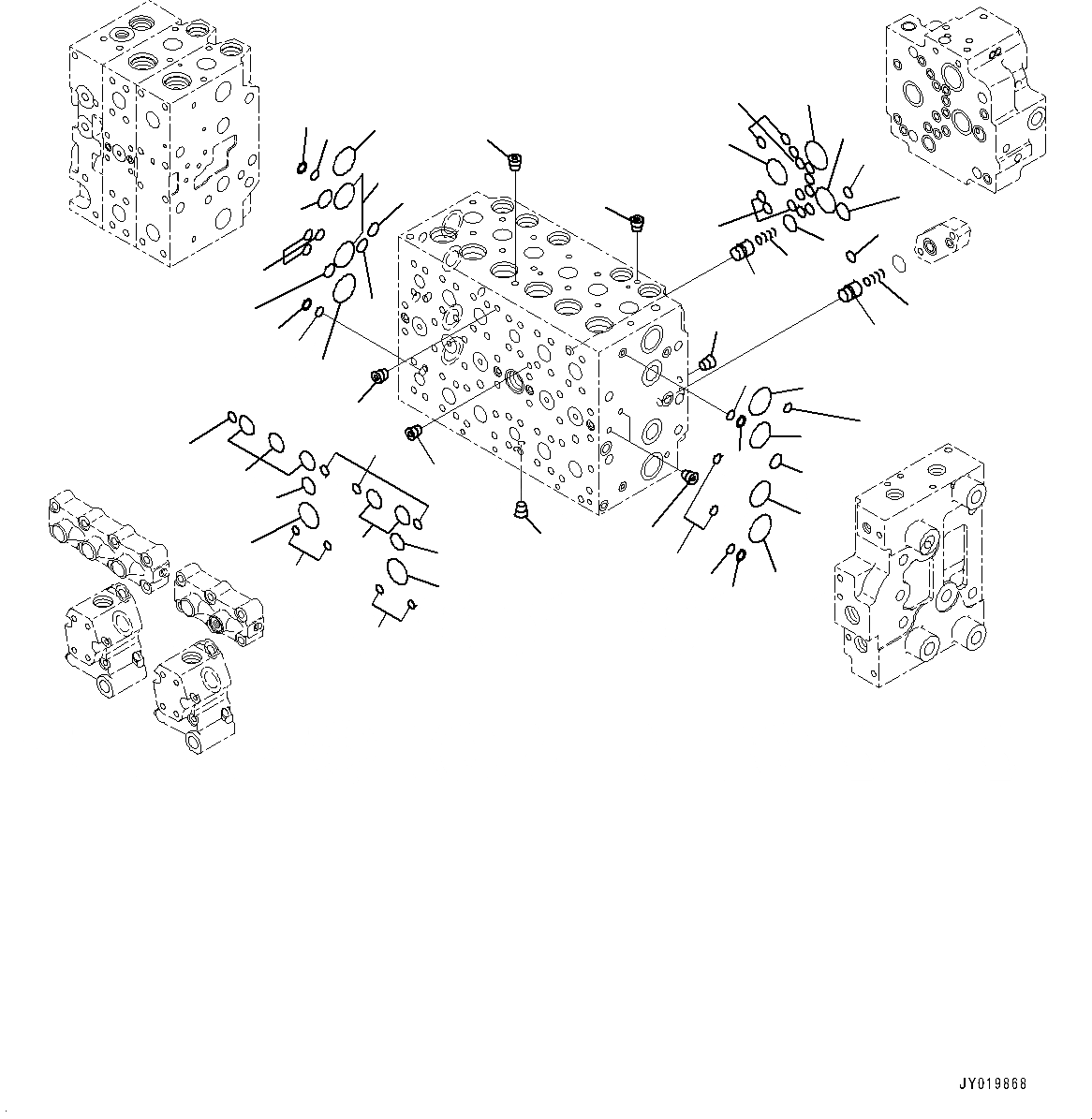
Запчасти Komatsu PC300-8M0 УПРАВЛЯЮЩ. КЛАПАН (8-СЕКЦИОНН.) (/) H [ГИДРАВЛИКА]

Схема запчастей Komatsu PC300-8M0 - УПРАВЛЯЮЩ. КЛАПАН (8-СЕКЦИОНН.) (/) H [ГИДРАВЛИКА]
2
4
6
7
9
10
1
4
6
8
15
3
5
7
1
3
2
6
7
3
1
6
11
15
11
6
16
12
14
1
4
5
6
4
2
15
15
6
17
7
15
15
2
9
16
9
3
17
15
1
1
13
13
FIT
1:1
100%

Артикул

Название

Примечание

Количество

|$1

723-48-25603

VAVLE,CONTROL

|$2

723-48-25602

VAVLE,CONTROL

-

723-48-25601

VAVLE,CONTROL

-

BODY SUBASSEMBLY

1

07000-12012

O-RING

2

723-11-19130

O-RING

3

723-46-17520

RING, BACK-UP

4

07000-12021

O-RING

5

07000-13028

O-RING

6

07000-13032

O-RING

7

723-46-17510

O-RING

8

07000-13036

O-RING

9

723-46-17530

O-RING

10

723-11-18150

O-RING

11

702-16-53920

O-RING

12

723-46-18710

O-RING

13

722-12-19070

O-RING

14

723-46-18720

O-RING

15

PLUG

16

723-46-17650

VALVE

17

723-46-14150

SPRING

Выбрано товаров: 21