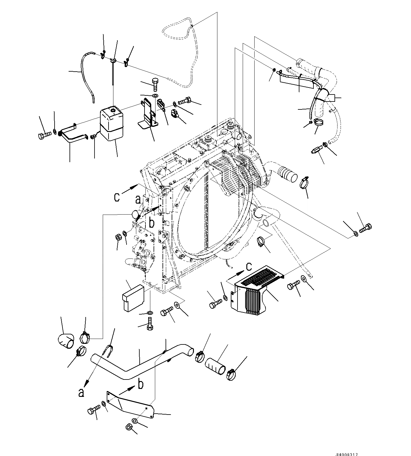
Запчасти Komatsu PC300-8M0 СИСТЕМА ОХЛАЖДЕНИЯ (С АВТОМАТИЧ. КОНДИЦ. ВОЗДУХА)(SUB-БАК) C

Схема запчастей Komatsu PC300-8M0 - СИСТЕМА ОХЛАЖДЕНИЯ (С АВТОМАТИЧ. КОНДИЦ. ВОЗДУХА)(SUB-БАК) C
44
30
39
42
43
40
41
37
36
20
38
35
34
33
31
29
32
9
10
28
24
17
16
4
3
16
17
23
18
25
24
26
19
27
27
15
22
21
14
4
3
8
5
1
2
8
7
6
7
13
12
10
9
11
FIT
1:1
100%

Артикул

Название

Примечание

Количество

1

01010-81640

BOLT

2

01643-31645

WASHER

3

01010-81640

BOLT

4

21T-54-16150

WASHER

5

207-01-72361

TUBE

6

207-01-72372

HOSE

7

207-01-75340

CLAMP

8

07283-37663

CLIP

9

01643-31032

WASHER

10

01597-01009

NUT

11

207-03-72191

BRACKET

12

01010-81230

BOLT

13

01643-31232

WASHER

14

207-01-75340

CLAMP

15

207-03-72131

GUARD

16

01010-81225

BOLT

17

01643-31232

WASHER

18

207-03-75330

NIPPLE

19

207-03-72810

HOSE ASS'Y

|$20

09483-10309

HOSE

20

11Y-09-11140

CLIP

21

207-03-72620

HOSE

22

207-01-75340

CLAMP

23

07299-00080

CLAMP

24

07289-00070

CLAMP

25

07281-00359

CLAMP

26

11Y-09-11140

CLIP

27

134-03-61410

BAND

28

207-03-72651

SEAL

29

419-03-21320

TANK, RESERVOIR

30

421-03-22170

CAP

31

08055-00282

CONNECTOR

32

207-03-72691

BRACKET

33

207-03-72711

BAND

34

01010-81025

BOLT

35

01643-31032

WASHER

36

01010-80612

BOLT

37

01643-30623

WASHER

38

22U-03-27951

HOSE

39

206-03-43340

CLIP

40

20Y-979-6271

BRACKET

41

20Y-979-6191

SENSOR

42

01010-81230

BOLT

43

01643-31232

WASHER

44

206-03-43340

CLIP

Выбрано товаров: 45