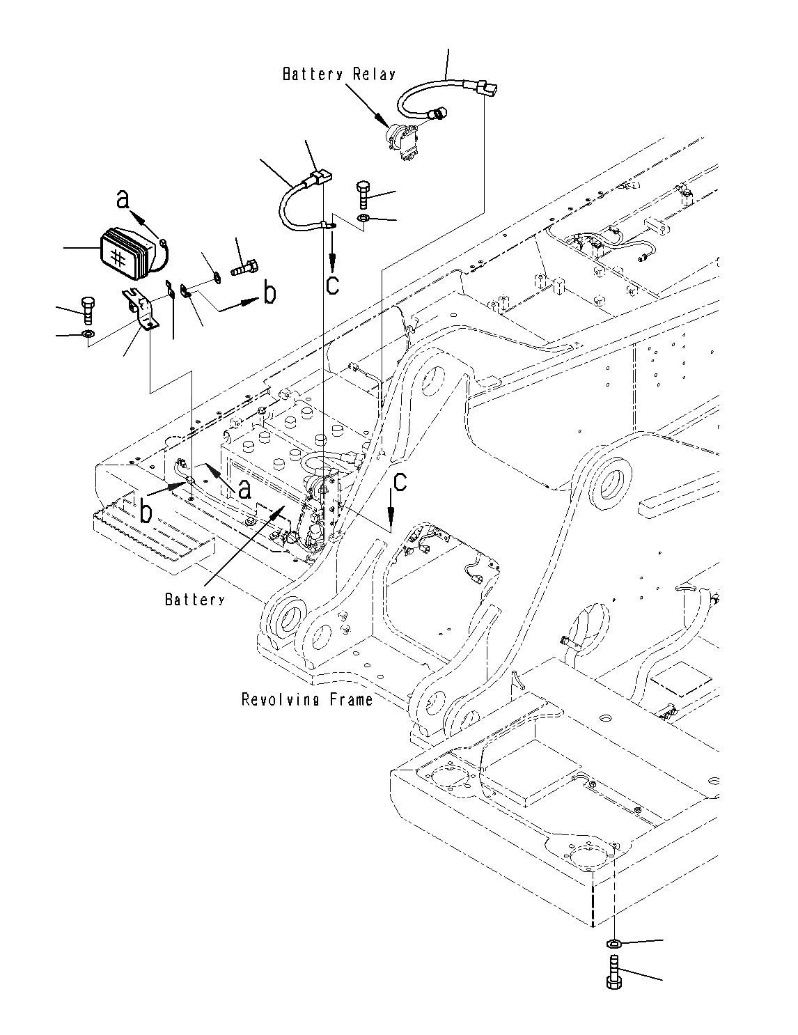
Запчасти Komatsu PC300-8M0 ЭЛЕКТРИЧ. ПРОВОДКА (ЛАМПА РАБОЧ. ОСВЕЩЕНИЯ) E

Схема запчастей Komatsu PC300-8M0 - ЭЛЕКТРИЧ. ПРОВОДКА (ЛАМПА РАБОЧ. ОСВЕЩЕНИЯ) E
3
4
5
2
1
10
11
12
13
7
9
8
6
15
14
FIT
1:1
100%

Артикул

Название

Примечание

Количество

1

08028-44040

WIRE

2

08038-22511

CAP

3

08038-42511

CAP

4

01010-81025

BOLT

5

01643-31032

WASHER

6

20Y-06-43230

WORK LAMP ASS'Y

|$7

421-06-23330

BULB, 24V/70W

|$8

08192-12830

CONNECTOR

7

20Y-06-31680

BRACKET

8

01010-81230

BOLT

9

01643-31232

WASHER

10

01010-81220

BOLT

11

01643-31232

WASHER

12

08057-12012

CLIP

13

08193-20012

CLIP

14

01010-81016

BOLT

15

01643-31032

WASHER

Выбрано товаров: 0