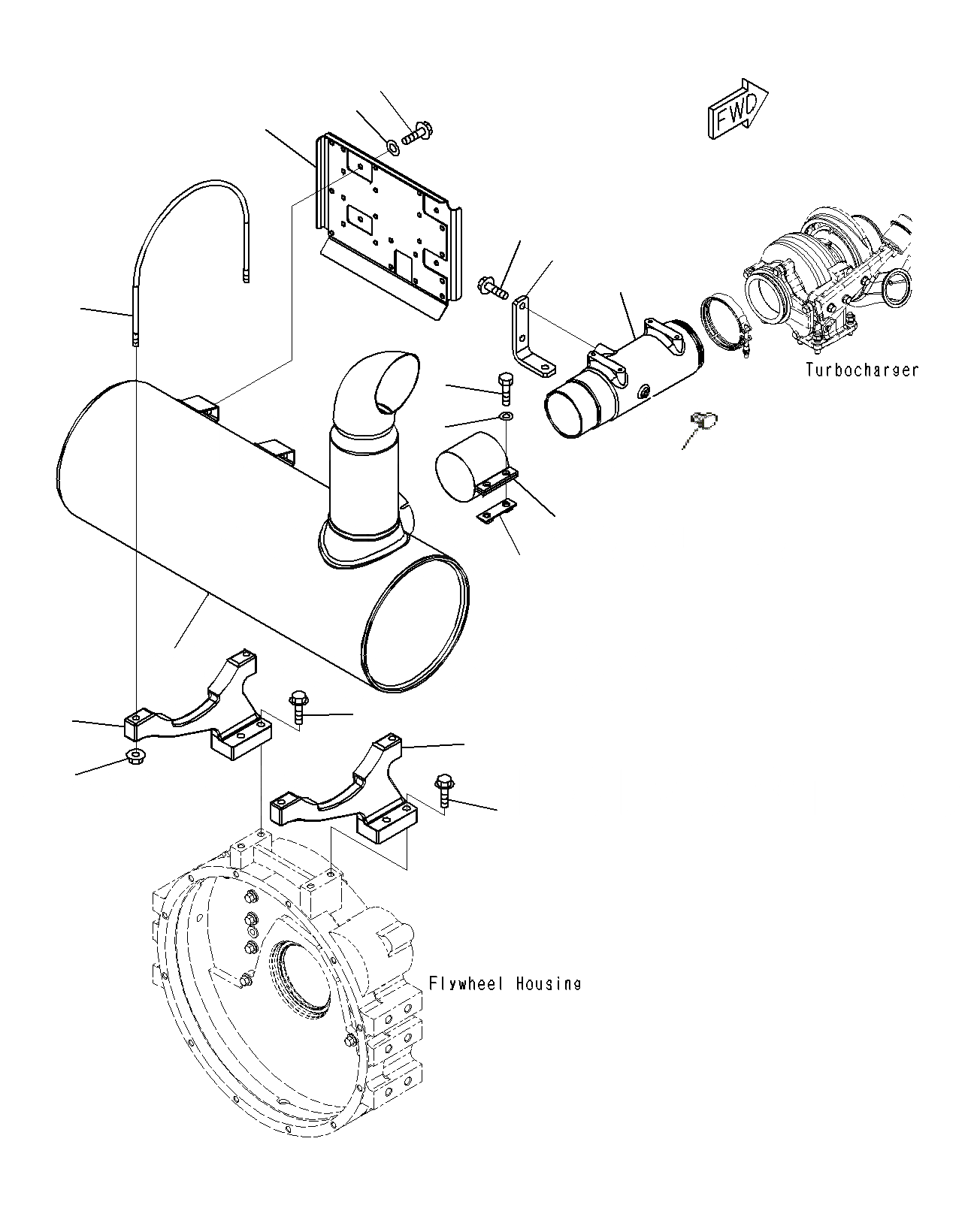
Запчасти Komatsu PC300-8M0 ВЫПУСКН. ГЛУШИТЕЛЬ A

Схема запчастей Komatsu PC300-8M0 - ВЫПУСКН. ГЛУШИТЕЛЬ A
9
10
8
15
14
13
16
2
5
4
3
1
11
12
11
12
7
6
FIT
1:1
100%

Артикул

Название

Примечание

Количество

1

6745-11-6510

Muffler

2

6743-11-5230

Clamp

3

01010-E1235

Bolt

4

01643-31232

Washer

5

6208-11-5850

Plate

6

6222-11-5940

Ubolt

7

01594-01008

Nut

8

6745-11-6240

Cover

9

01435-00820

Bolt

10

154-61-16570

Washer

11

6745-11-6180

Bracket

12

01435-01245

Bolt

13

6745-11-6520

Connector

14

6745-11-6261

BRACKET

|$15

6745-11-6260

Bracket

15

01435-01025

Bolt

16

6215-11-5920

PLUG

Выбрано товаров: 0