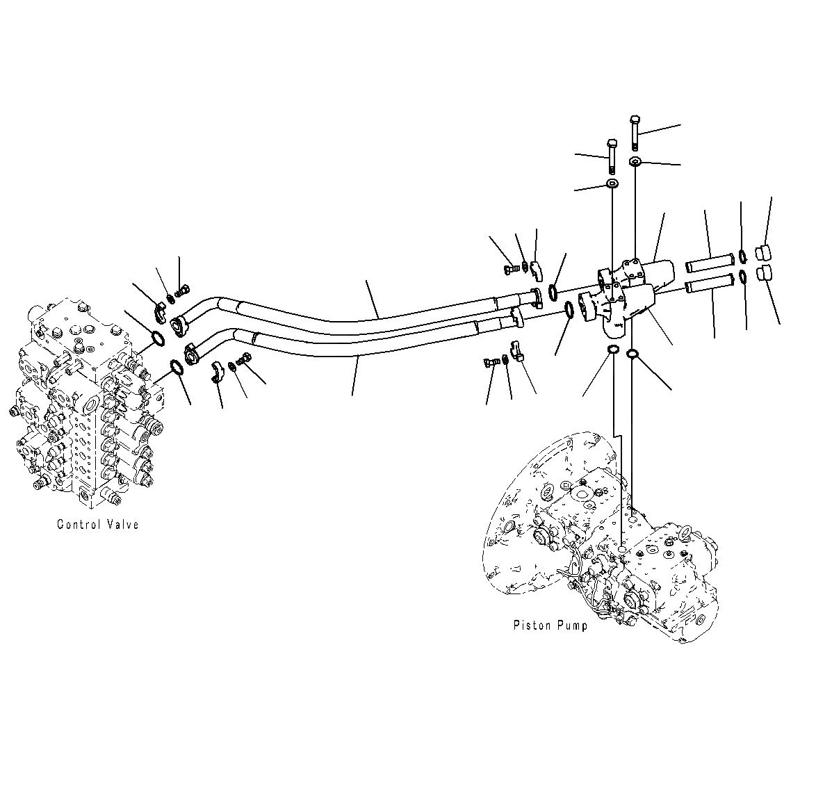
Запчасти Komatsu PC300-8M0 ПОДАЮЩ. ТРУБЫ, C ПРОХОДНЫМ ФИЛЬТРОМ H

Схема запчастей Komatsu PC300-8M0 - ПОДАЮЩ. ТРУБЫ, C ПРОХОДНЫМ ФИЛЬТРОМ H
6
9
7
3
10
4
1
2
11
13
12
15
19
20
14
18
15
3
4
1
2
17
19
5
11
8
16
20
13
17
12
18
FIT
1:1
100%

Артикул

Название

Примечание

Количество

|$1

207-62-77231

FILTER A.

1

207-60-61250

STRAINER

2

207-62-77241

CASE

3

20Y-60-22372

PLUG

4

07002-13634

O-RING

5

07000-13035

O-RING

6

01011-81070

BOLT

7

01643-31032

WASHER

8

07000-13035

O-RING

9

01011-81070

BOLT

10

01643-31032

WASHER

11

07371-31049

FLANGE

12

07372-21035

BOLT

13

01643-51032

WASHER

14

207-62-71750

HOSE

15

07000-13032

O RING

16

207-62-71880

HOSE

17

07000-13032

O RING

18

07371-31049

FLANGE

19

07372-21035

BOLT

20

01643-51032

WASHER

Выбрано товаров: 21