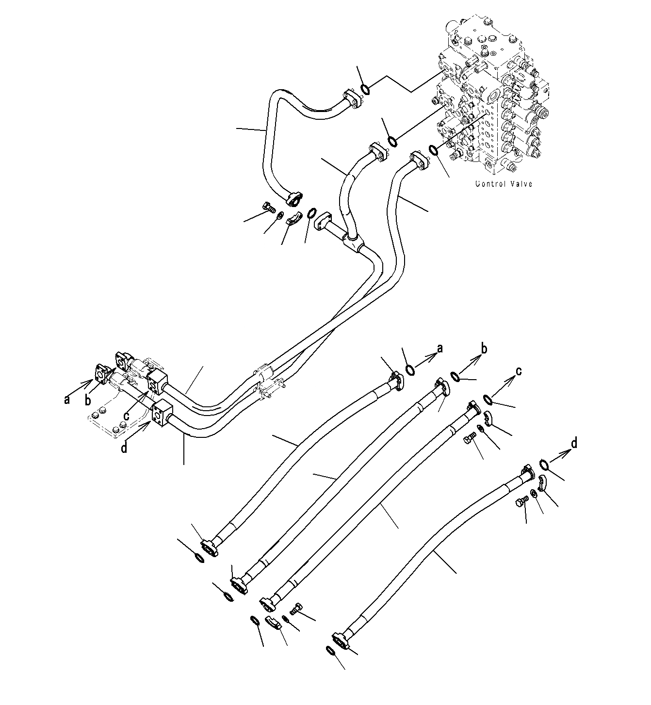
Запчасти Komatsu PC300-8M0 ТРУБЫ СТРЕЛЫ, КЛАПАН ТРУБЫ СТРЕЛЫ H

Схема запчастей Komatsu PC300-8M0 - ТРУБЫ СТРЕЛЫ, КЛАПАН ТРУБЫ СТРЕЛЫ H
2
20
12
7
11
6
1
9
10
13
8
15
8
1
17
17
3
14
3
5
4
6
16
15
8
18
10
9
15
16
18
17
14
19
18
17
18
15
FIT
1:1
100%

Артикул

Название

Примечание

Количество

1

207-62-71211

TUBE

2

07000-13035

O-RING

3

07371-31049

FLANGE

4

07372-21035

BOLT

5

01643-51032

WASHER

6

207-62-71223

TUBE

7

07000-13035

O-RING

8

07371-31049

FLANGE

9

07372-21035

BOLT

10

01643-51032

WASHER

11

207-62-71231

TUBE

12

07000-13035

O-RING

13

07000-13032

O-RING

14

207-62-52621

HOSE

15

07000-13032

O RING

16

207-62-52610

HOSE

17

07000-13032

O RING

18

07371-31049

FLANGE

19

07372-21035

BOLT

20

01643-51032

WASHER

Выбрано товаров: 20