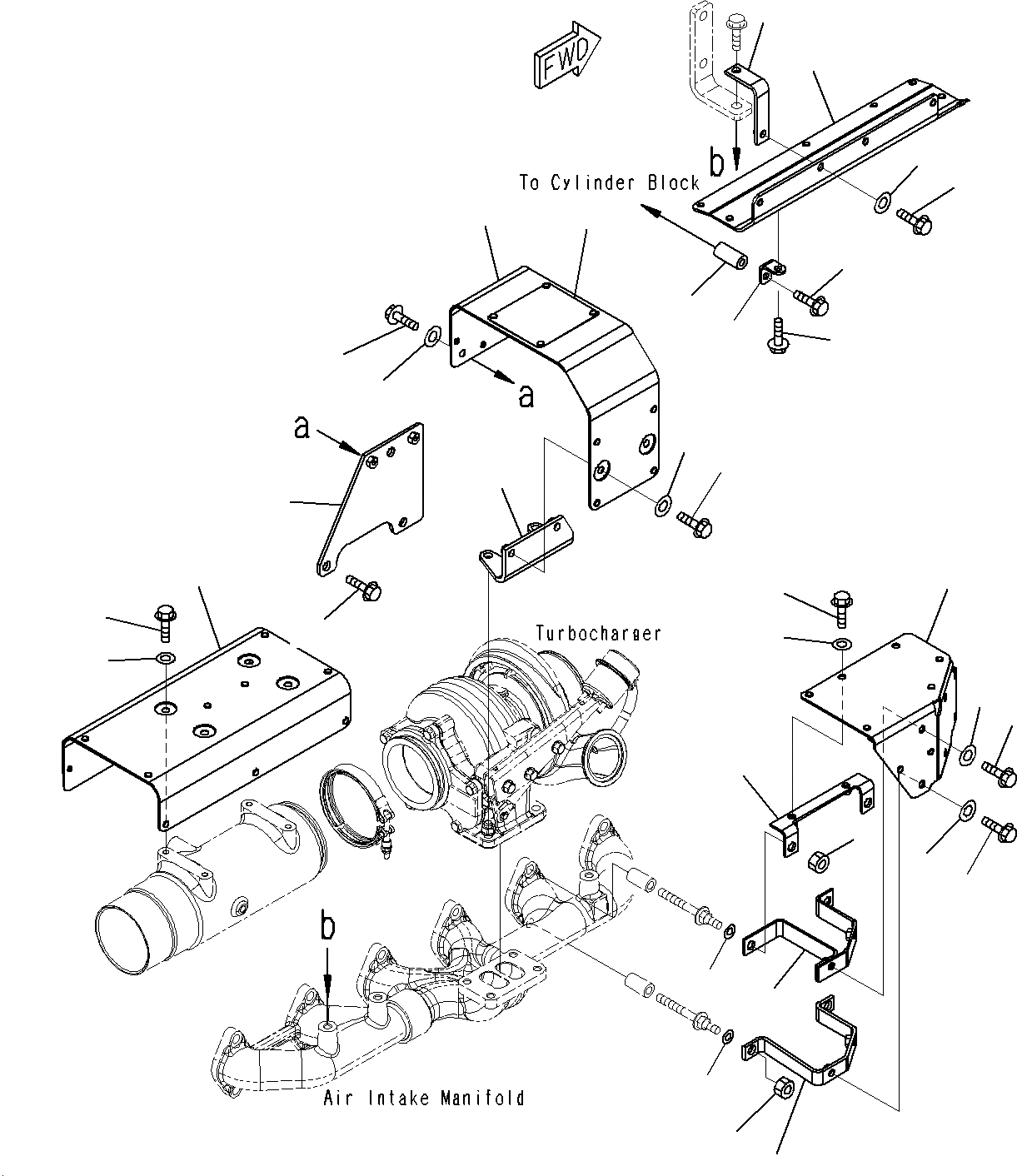
Запчасти Komatsu PC300-8M0 ТЕРМОЗАЩИТА A

Схема запчастей Komatsu PC300-8M0 - ТЕРМОЗАЩИТА A
21
16
23
22
20
18
17
19
13
12
14
15
11
15
14
6
7
5
7
6
3
24
9
10
25
26
6
7
4
2
8
8
4
1
FIT
1:1
100%

Артикул

Название

Примечание

Количество

1

6745-81-8410

Bracket

2

6745-81-8420

Bracket

3

6745-81-8430

Bracket

4

01581-01008

Nut

5

6745-81-8440

Cover

6

01435-00820

Bolt

7

154-61-16570

Washer

8

01643-31032

Washer

9

6745-81-8260

Plate

10

01435-01020

Bolt

11

6745-81-8280

Bracket

12

6745-81-8250

Cover

13

09817-A1103

Plate, Warning, High Temperature

14

01435-00820

Bolt

15

154-61-16570

Washer

16

6745-11-5310

Cover

17

6050-71-5710

Bracket

18

01435-00816

Bolt

19

6138-81-8660

Spacer

20

01435-00855

Bolt

21

6743-81-8491

BRACKET

|$22

6743-81-8490

Bracket

22

01435-00820

Bolt

23

154-61-16570

Washer

24

6745-81-8270

Cover

25

01020-10816

BOLT

|$27

01435-00814

BOLT

26

6745-81-8330

WASHER

|$29

154-61-16570

WASHER

Выбрано товаров: 29