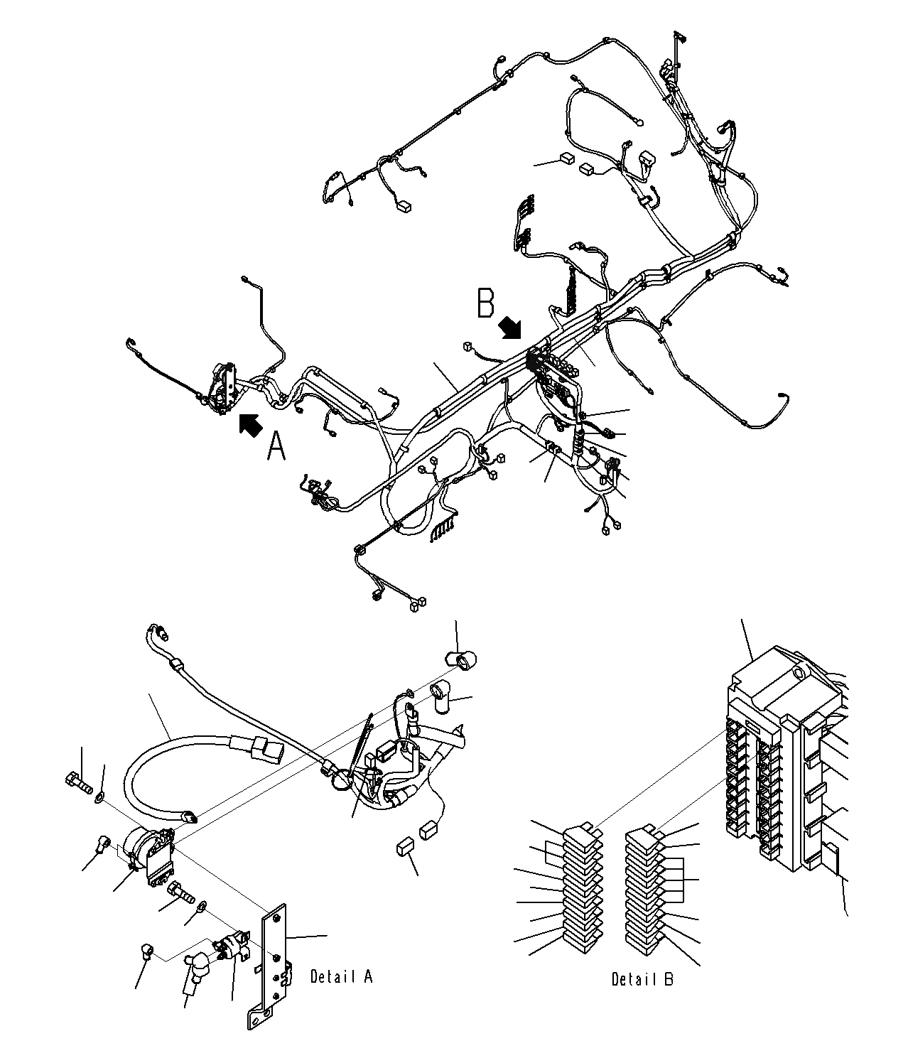
Запчасти Komatsu PC300-8M0 КАБИНА (ПОЛ, ПРОВОДКА) K

Схема запчастей Komatsu PC300-8M0 - КАБИНА (ПОЛ, ПРОВОДКА) K
7
1
13
2
12
12
11
11
10
10
1
26
25
14
16
17
5
4
9
4
6
5
4
18
4
8
5
15
21
5
3
19
22
6
4
3
3
23
20
24
FIT
1:1
100%

Артикул

Название

Примечание

Количество

1

207-06-77410

WIRING HARNESS

|$2

207-06-77112

WIRING HARNESS

2

08020-20000

DIODE

3

08041-00500

FUSE, 5AMP.

4

08041-01000

FUSE, 10AMP.

5

08041-02000

FUSE, 20AMP.

6

08041-03000

FUSE, 30AMP.

7

19M-06-31720

RESISTOR

8

20Y-06-31660

FUSIBLE LINK, 30AMP.

9

22U-06-11270

FUSIBLE LINK, 65AMP.

10

HM6400-0012

F-CONNECTOR, BLACK

|$12

HM6409-0071

M-CONNECTOR, BLACK

11

HM6400-0013

F-CONNECTOR, GREEN

|$14

HM6409-0072

M-CONNECTOR, GREEN

12

HM6440-0129

F-CONNECTOR, PINK

|$16

HM6440-0128

M-CONNECTOR, PINK

13

207-06-77121

CABLE

14

08038-00035

CAP, TERMINAL

15

08088-30000

SWITCH

16

01010-80830

BOLT

17

01643-30823

WASHER

18

08038-00519

CAP

19

207-06-75122

BRACKET

20

600-815-2170

SWITCH, HEATER

21

01010-80616

BOLT

22

01643-30623

WASHER

23

08038-00519

CAP

24

08038-02027

CAP

25

08028-CD065

CABLE

26

08038-00035

CAP

Выбрано товаров: 30