Запчасти Komatsu PC300-8M0 КАБИНА (ПОЛ, КЛАПАН PPCКРЕПЛЕНИЕ ДЛЯ РАБОЧ. ОБОРУД-Я, R.H) K

Схема запчастей Komatsu PC300-8M0 - КАБИНА (ПОЛ, КЛАПАН PPCКРЕПЛЕНИЕ ДЛЯ РАБОЧ. ОБОРУД-Я, R.H) K
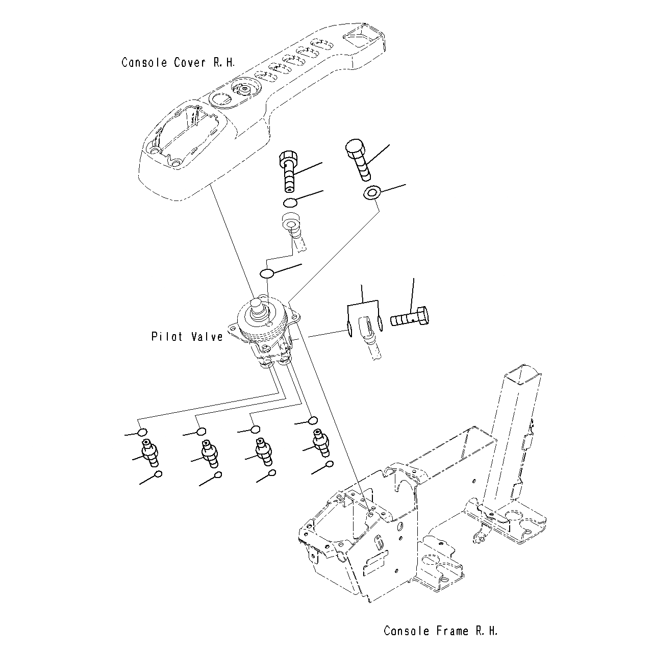
1
3
2
4
4
5
6
11
11
11
11
7
9
9
7
8
10
10
8
FIT
1:1
100%

Артикул

Название

Примечание

Количество

1

01010-80820

BOLT

2

01643-30823

WASHER

3

20Y-62-18910

EYE BOLT

4

07000-12018

O-RING

5

20Y-62-18890

JOINT BOLT

6

07000-12015

O-RING

7

11Y-62-12130

NIPPLE

8

02896-11008

O-RING

9

11Y-62-12520

UNION

10

02896-11009

O-RING

11

07002-11423

O-RING

Выбрано товаров: 11