Запчасти Komatsu PC300-8M0 БОКОВ. КРЫШКА, L.H M

Схема запчастей Komatsu PC300-8M0 - БОКОВ. КРЫШКА, L.H M
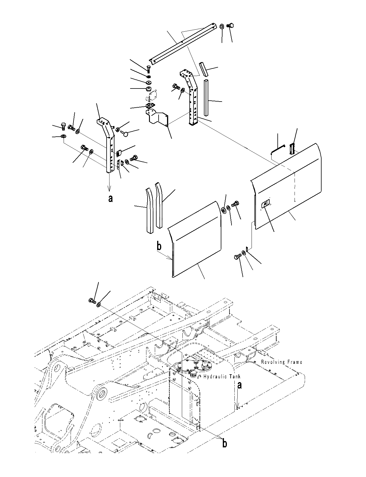
4
5
27
26
3
36
37
38
39
40
20
21
1
35
15
16
6
2
8
7
28
29
10
11
9
12
14
13
31
31
32
25
19
17
18
33
34
22
24
23
30
34
33
FIT
1:1
100%

Артикул

Название

Примечание

Количество

1

207-54-73341

FRAME

2

207-54-76140

FRAME

3

208-54-71380

FRAME

4

01010-81225

BOLT

5

01643-31232

WASHER

6

20Y-54-61470

PLATE

7

01010-81225

BOLT

8

01643-31232

WASHER

9

20Y-54-28170

BRACKET

10

01010-81225

BOLT

11

01643-31232

WASHER

12

205-54-51971

DOVE TAIL

13

01010-80616

BOLT

14

01643-30623

WASHER

15

20Y-54-11611

STOPPER

16

01580-11008

NUT

17

207-54-78810

COVER

18

20Y-54-71372

LOCK

19

20Y-54-63414

HINGE

20

01010-81225

BOLT

21

01643-31232

WASHER

22

205-54-53550

DOVE TAIL

23

01010-80612

BOLT

24

01643-30623

WASHER

25

20Y-54-29232

BAR

26

208-54-73710

SHEET

27

208-54-73720

SHEET

28

01010-81230

BOLT

29

01643-31232

WASHER

30

207-54-73321

COVER

|$31

207-54-73320

COVER

31

208-54-73131

SHEET

32

208-54-57180

COLLAR

|$34

203-54-62670

COLLAR

33

01010-81230

BOLT

34

01643-31232

WASHER

35

207-54-76161

BRACKET

36

01010-81035

BOLT

|$39

01010-81050

BOLT

37

01643-31032

WASHER

38

415-64-13120

PLATE

|$42

207-03-75590

PLATE

39

2A7-54-23140

COLLAR

|$44

195-03-41380

CUSHION

40

207-54-76190

SHEET

Выбрано товаров: 0