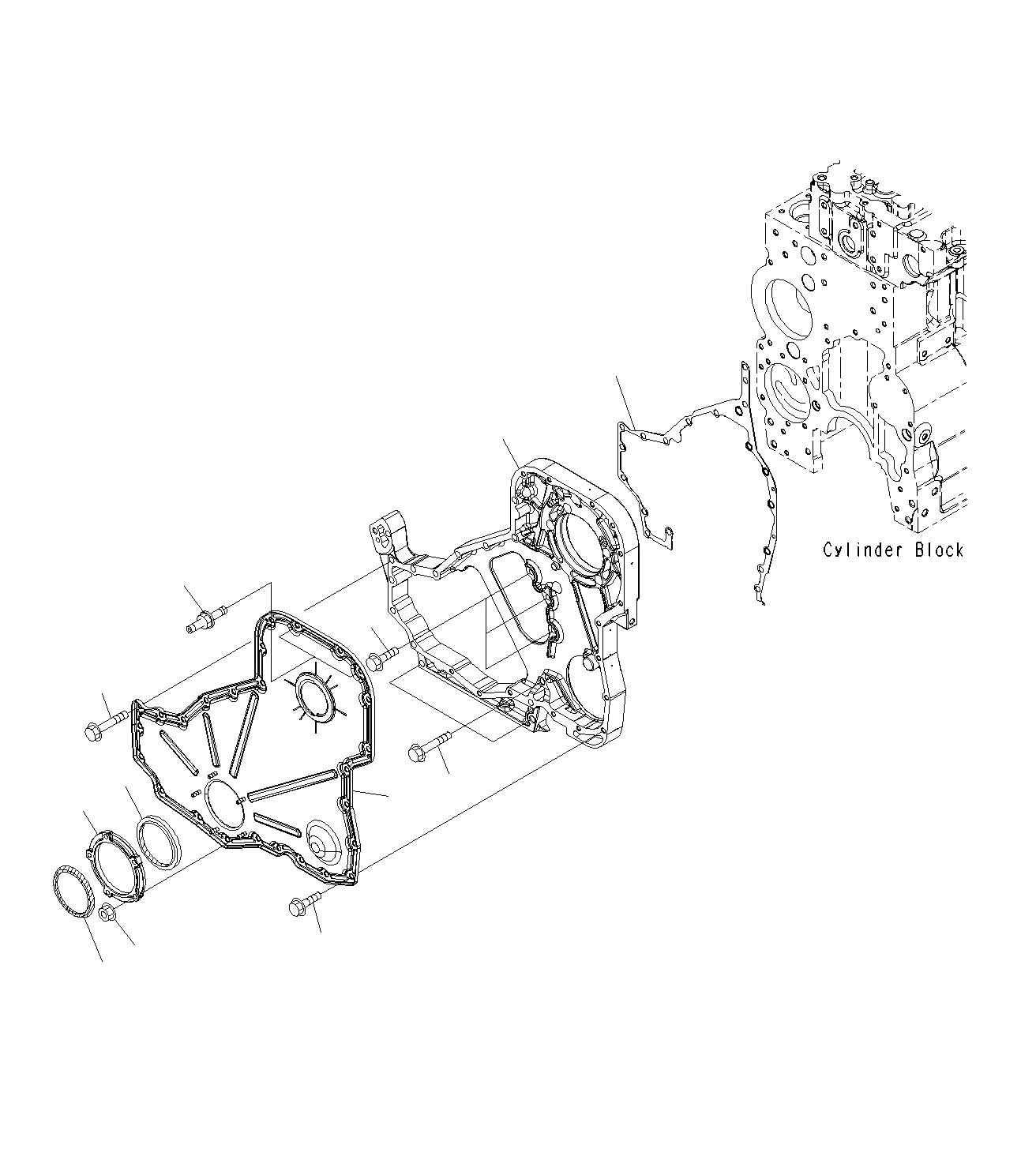
Запчасти Komatsu PC300-8M0 ПЕРЕДН. COVER A

Схема запчастей Komatsu PC300-8M0 - ПЕРЕДН. COVER A
4
1
2
11
10
5
3
8
7
6
12
9
FIT
1:1
100%

Артикул

Название

Примечание

Количество

1

6745-21-3111

Housing

2

6742-01-0540

Bolt

3

6741-21-3820

Bolt

4

6741-21-3810

Gasket

|$5

6742-01-0550

Seal Kit

|$6

6742-01-5542

Tool, Not Shown

5

6742-01-0950

Seal

6

6741-21-3541

Nut

7

6741-21-3530

Carrier

8

6745-21-3210

Cover

9

01435-60816

Bolt

10

6742-01-0530

Bolt

11

6735-21-7240

Screw

12

6742-01-3320

Seal, Dust

Выбрано товаров: 0