Качественные детали и логистика
Оригинальные и аналоговые запчасти с доставкой по России, Казахстану и Беларуси
©2022 PartSell ООО "Система" ИНН 2463123282 ОГРН 1212400004838
Центральный офис: г. Красноярск, Академика Киренского, д.87, пом.4
Телефон: 8 (800) 777-65-74 Email: zakaz@partsell.ru
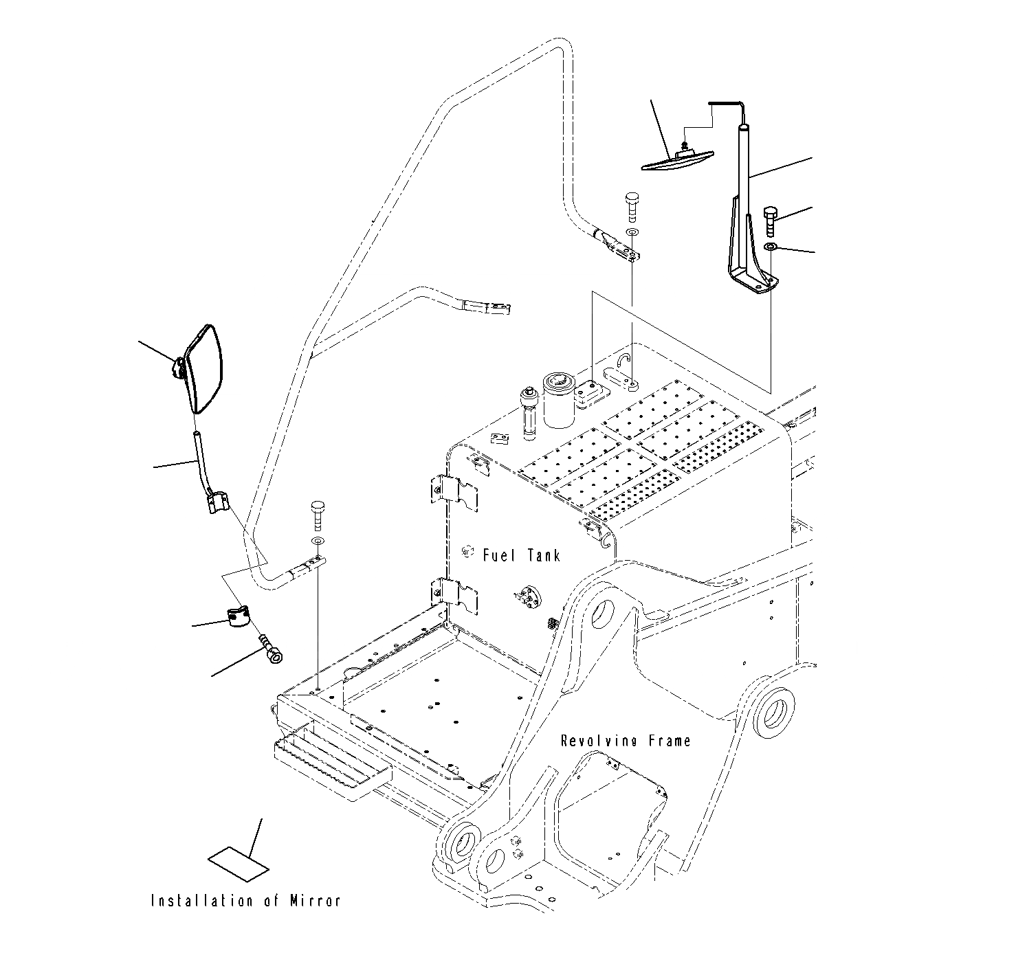
ЗАДН.VIEW MIROR R.H
№
Артикул
Название
Примечание
Количество
1
2A5-54-13420
MIRROR
2
20Y-54-74270
SUPPORT
3
20Y-54-61630
CLAMP
4
01252-A1030
BOLT
5
207-54-75710
6
207-54-79731
BRACKET
7
01010-81230
8
01643-31232
WASHER
9
207-98-73110
PLATE
Выбрано товаров: 0