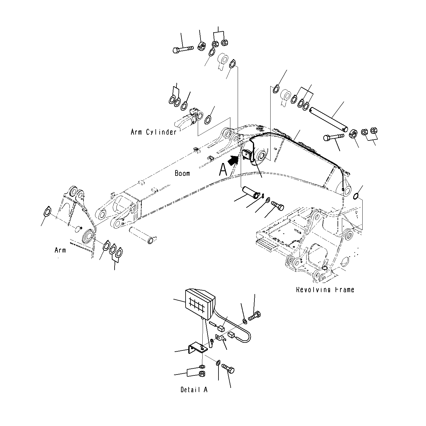
Запчасти Komatsu PC300-8M0 СТРЕЛА (ПАЛЕЦ ЦИЛИНДРА И ЛАМПА РАБОЧ. ОСВЕЩЕНИЯ)(100 ЧАСОВ)(MM)(ОПЦ.) T

Схема запчастей Komatsu PC300-8M0 - СТРЕЛА (ПАЛЕЦ ЦИЛИНДРА И ЛАМПА РАБОЧ. ОСВЕЩЕНИЯ)(100 ЧАСОВ)(MM)(ОПЦ.) T
9
7
8
10
11
13
11
10
12
6
12
24
9
7
8
5
20
1
2
4
3
14
14
15
21
22
16
24
17
23
16
19
18
FIT
1:1
100%

Артикул

Название

Примечание

Количество

1

207-70-61192

PIN

2

205-70-66581

PLATE

3

01010-81235

BOLT

4

01643-31232

WASHER

5

07145-00110

SEAL

6

207-70-31172

PIN

7

207-70-31242

PLATE

8

207-70-13340

BOLT

9

01580-12419

NUT

10

207-70-31340

SPACER, T=0.8mm

11

207-70-51320

SPACER, T=1.5mm

12

207-70-11340

SPACER, T=0.8mm

13

207-70-11350

SPACER, T=1.5mm

14

207-70-11360

SPACER, T=1.0mm

15

207-70-11370

SPACER, T=1.5mm

16

20Y-06-43230

WORK LAMP A.

|$17

421-06-23330

BULB, 70 WATT

17

20Y-06-21551

BRACKET

18

01010-81430

BOLT

19

01643-31445

WASHER

20

04434-51012

CLIP

21

01010-81220

BOLT

22

01643-31232

WASHER

23

08193-20012

CLIP

24

207-06-75161

WIRING HARNESS

Выбрано товаров: 25