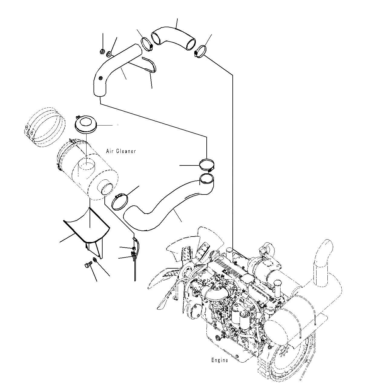
Запчасти Komatsu PC300-8M0 ВОЗДУХООЧИСТИТЕЛЬ B

Схема запчастей Komatsu PC300-8M0 - ВОЗДУХООЧИСТИТЕЛЬ B
16
14
15
13
12
10
11
1
7
5
6
3
8
9
2
4
FIT
1:1
100%

Артикул

Название

Примечание

Количество

1

6710-82-7140

CAP,SCREEN

2

7861-93-1430

SENSOR,SWITCH

3

207-01-72411

BRACKET

4

11Y-01-11920

JOINT

5

207-01-72420

HOSE

6

07299-00145

CLAMP

7

07299-00130

CLAMP

8

01010-81225

BOLT

9

01643-31232

WASHER

10

207-01-72381

TUBE

11

07283-31185

CLIP

12

01597-01211

NUT

13

01643-31232

WASHER

14

207-01-72391

HOSE

15

07299-00130

CLAMP

16

07299-00120

CLAMP

Выбрано товаров: 16