Запчасти Komatsu PC300 МАРКИРОВКА (КАБИНА ) (ИНДОНЕЗИЯ) МАРКИРОВКА¤ ИНСТРУМЕНТ И РЕМКОМПЛЕКТЫ

Схема запчастей Komatsu PC300 - МАРКИРОВКА (КАБИНА ) (ИНДОНЕЗИЯ) МАРКИРОВКА¤ ИНСТРУМЕНТ И РЕМКОМПЛЕКТЫ
FIT
1:1
100%

Артикул

Название

Примечание

Количество

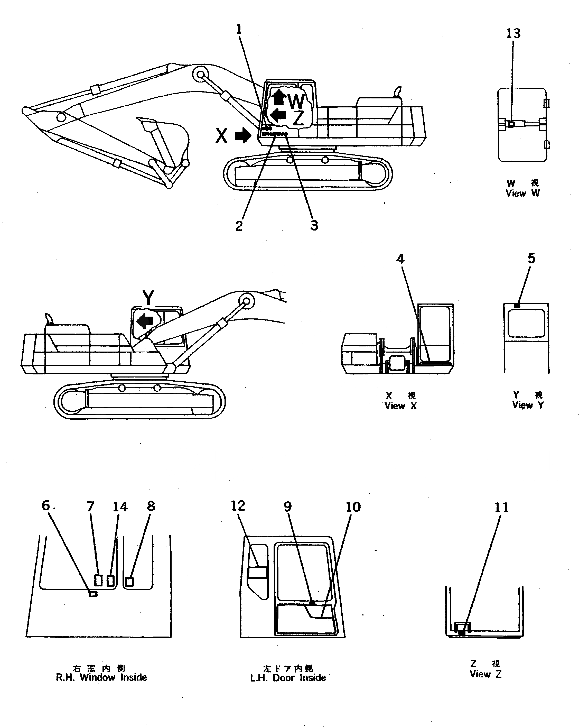
1

09694-50160

PLATE, MARK

2

09690-C0315

PLATE, MARK

2

09690-50500

PLATE, MARK

3

20Y-00-11350

PLATE

4

20Y-00-11490

PLATE

5

205-00-63620

PLATE, CAUTION

6

203-916-5730

PLATE, OPERATING

7

20Y-00-11910

PLATE, CAUTION

8

205-00-71640

PLATE, SAFETY

9

205-00-71340

PLATE, OPERATING

G-1

207-54-X1570

OPERATOR'S CAB GROUP

G-2

207-54-X1670

OPERATOR'S CAB GROUP

10

20Y-54-14670

COVER

10

20Y-54-14560

CLIP ASS'Y

11

20Y-00-11860

PLATE, CAUTION

12

207-00-51290

PLATE, CAUTION,SLING POSITION

13

205-00-63670

PLATE, CAUTION

14

20Y-00-11830

PLATE, CAUTION

Выбрано товаров: 18