Качественные детали и логистика
Оригинальные и аналоговые запчасти с доставкой по России, Казахстану и Беларуси
©2022 PartSell ООО "Система" ИНН 2463123282 ОГРН 1212400004838
Центральный офис: г. Красноярск, Академика Киренского, д.87, пом.4
Телефон: 8 (800) 777-65-74 Email: zakaz@partsell.ru
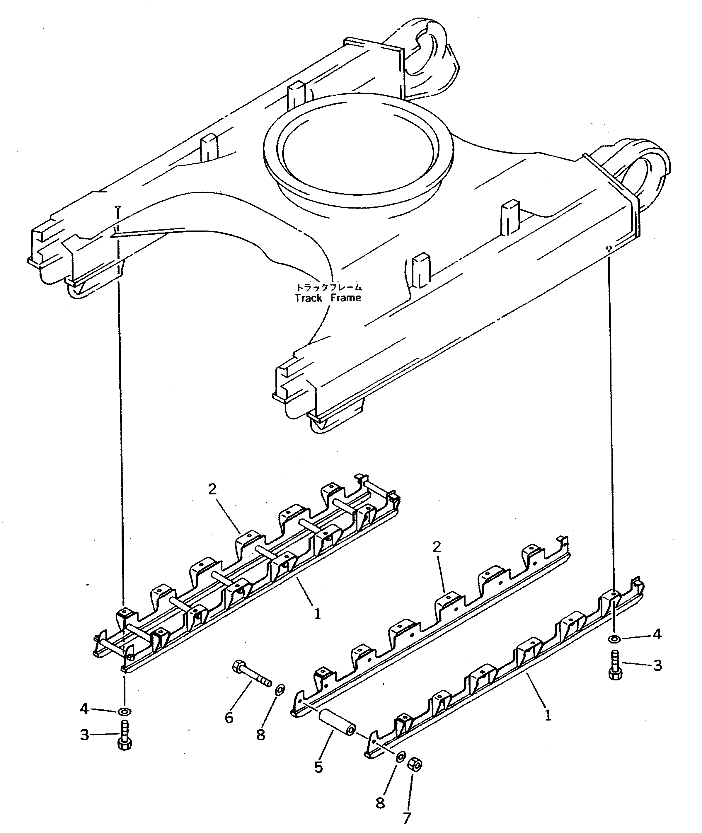
ОПОРНЫЙ КАТОК ПОЛН. ЗАЩИТА
№
Артикул
Название
Примечание
Количество
G-1
208-30-X1510
ROLLER GUARD GROUP,ROLLER
1
208-30-57110
GUARD,L.H.
2
208-30-57120
GUARD,R.H.
3
01010-32455
BOLT
4
01643-32460
WASHER
5
150-30-15553
SPACER
6
150-30-15563
7
01580-12419
NUT
8
Выбрано товаров: 0