Запчасти Komatsu PC300HD-7L H-A ОСНОВН. НАСОС PRESSURE СЕНСОР. ГЛАВН. КЛАПАН ГИДРАВЛИКА

Схема запчастей Komatsu PC300HD-7L - H-A ОСНОВН. НАСОС PRESSURE СЕНСОР. ГЛАВН. КЛАПАН ГИДРАВЛИКА
9
13
16
11
6
10
18
12
17
7
14
23
18
20
15
8
19
1
17
20
23
25
21
2
24
20
22
26
5
19
20
21
22
4
25
24
3
26
25
24
FIT
1:1
100%

Артикул

Название

Примечание

Количество

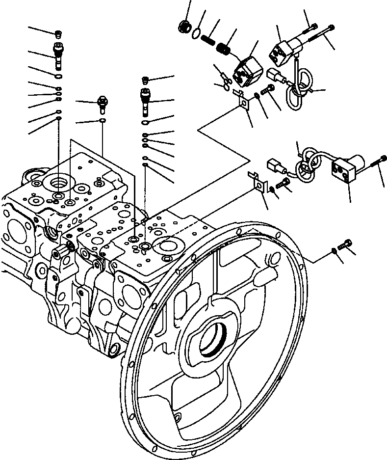
1

708-2L-35530

PLUG

2

07002-61023

O-RING

3

702-21-55600

VALVE, PILOT PRESSURE SENSING

4

01252-60635

BOLT

5

20Y-62-22790

BAND, RED

6

702-21-55701

VALVE, PILOT PRESSURE SENSING

7

702-16-55260

BOLT

8

20Y-62-22830

BAND, WHITE

|$9

702-21-55400

VALVE ASSEMBLY

9

702-21-55920

PLUG

10

702-21-55930

PISTON

11

702-21-55940

SPRING

12

702-21-55951

BLOCK

13

07002-12034

O-RING

14

07000-11008

O-RING

15

722-12-18240

O-RING

16

01252-60530

BOLT

|$18

708-2G-03450

PLUG SUB ASSEMBLY

17

708-2G-15670

PLUG

18

NSS

PLUG

19

07000-B1008

O-RING

20

07001-01008

RING

21

07000-B1007

O-RING

22

07001-01007

RING, BACK-UP

23

07002-61423

O-RING

24

01643-51232

WASHER

25

01010-81220

BOLT

26

08193-21012

CLIP

Выбрано товаров: 0