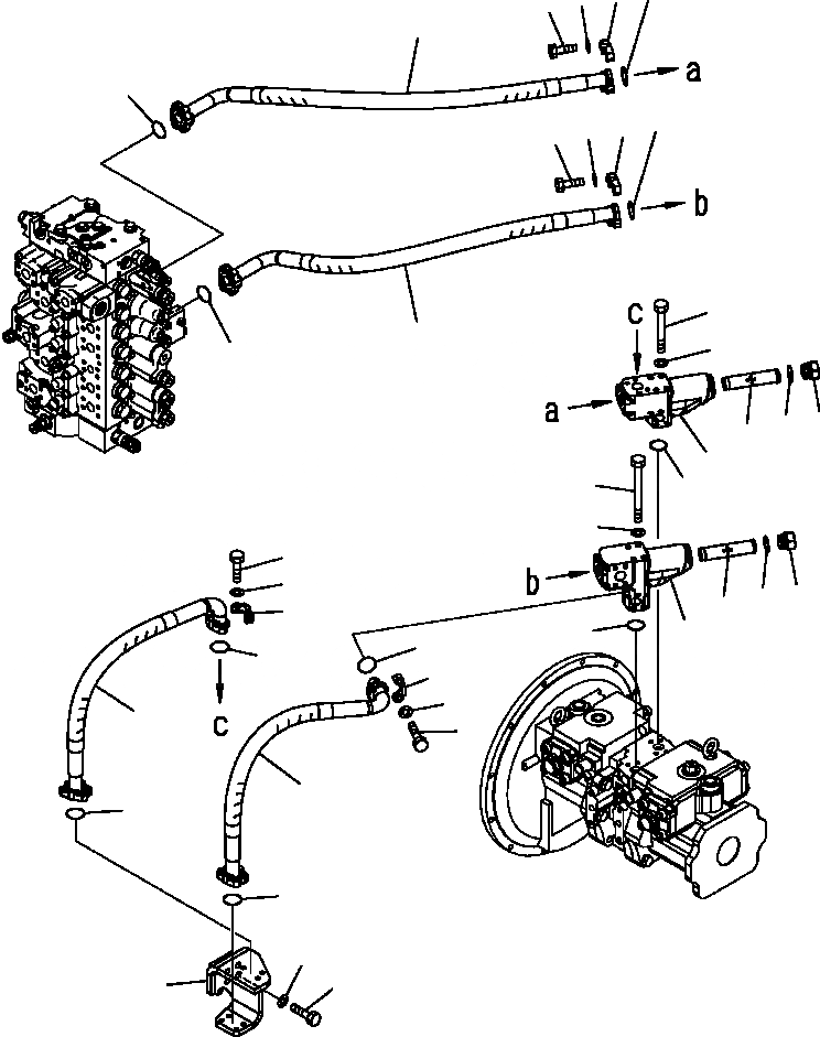
Запчасти Komatsu PC300HD-7L H-A ГИДРОЛИНИЯ ЛИНИЯ ПОДАЧИ С ПРОХОДНЫМ ФИЛЬТРОМ ГИДРАВЛИКА

Схема запчастей Komatsu PC300HD-7L - H-A ГИДРОЛИНИЯ ЛИНИЯ ПОДАЧИ С ПРОХОДНЫМ ФИЛЬТРОМ ГИДРАВЛИКА
16
22
20
21
15
16
19
20
22
21
6
18
7
19
2
4
3
1
13
5
14
26
27
9
11
25
10
12
8
24
24
25
27
23
26
23
24
24
30
29
28
FIT
1:1
100%

Артикул

Название

Примечание

Количество

|$0

207-62-71100

FILTER ASSEMBLY

1

207-62-71130

CASE

2

20Y-60-22371

PLUG

3

207-60-61250

STRAINER

4

07002-13634

O-RING

5

07000-13035

O-RING

6

01011-81030

BOLT

7

01643-31032

WASHER

|$8

207-62-71200

FILTER ASSEMBLY

8

207-61-71250

CASE

9

20Y-60-22371

PLUG

10

207-60-61250

STRAINER

11

07002-13634

O-RING

12

07000-13035

O-RING

13

01011-81075

BOLT

14

01643-31032

WASHER

15

207-62-71880

HOSE

16

07000-13032

O-RING

18

207-62-71890

HOSE

19

07000-13032

O-RING

20

07371-31049

FLANGE

21

07372-21035

BOLT

22

01643-51032

WASHER

23

207-62-71760

HOSE

24

07000-13032

O-RING

25

07371-31049

FLANGE

26

07372-21035

BOLT

27

01643-51032

WASHER

28

207-62-71970

BRACKET

29

01010-81260

BOLT

30

01643-31232

WASHER

Выбрано товаров: 31