Запчасти Komatsu PC300HD-7L K-A КАБИНА ПЛАСТИНЫ И ВОЗДУХОВОД заводской номер A88- OPERATOR ОБСТАНОВКА И СИСТЕМА УПРАВЛЕНИЯ

Схема запчастей Komatsu PC300HD-7L - K-A КАБИНА ПЛАСТИНЫ И ВОЗДУХОВОД заводской номер A88- OPERATOR ОБСТАНОВКА И СИСТЕМА УПРАВЛЕНИЯ
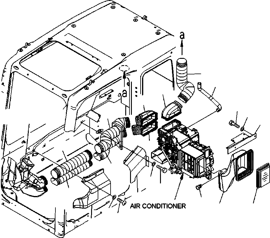
17
19
18
12
2
3
10
20
1
13
10
11
9
8
11
7
15
16
14
6
5
4
FIT
1:1
100%

Артикул

Название

Примечание

Количество

1

208-53-12770

PLATE

2

01010-D0820

BOLT

3

01643-70823

WASHER

4

208-53-12180

COVER

5

01245-00816

SCREW

6

01643-70823

WASHER

7

208-53-12190

COVER

8

01010-D0820

BOLT

9

01643-70823

WASHER

10

208-53-12220

DUCT

11

208-53-12260

DUCT

12

208-53-12120

DUCT

13

208-53-12170

DUCT

14

208-53-12520

DUCT

15

208-53-12680

CLIP

16

17M-911-3530

ELEMENT

17

208-53-12220

DUCT

18

208-53-12120

DUCT

19

208-53-12432

HOSE

Выбрано товаров: 19