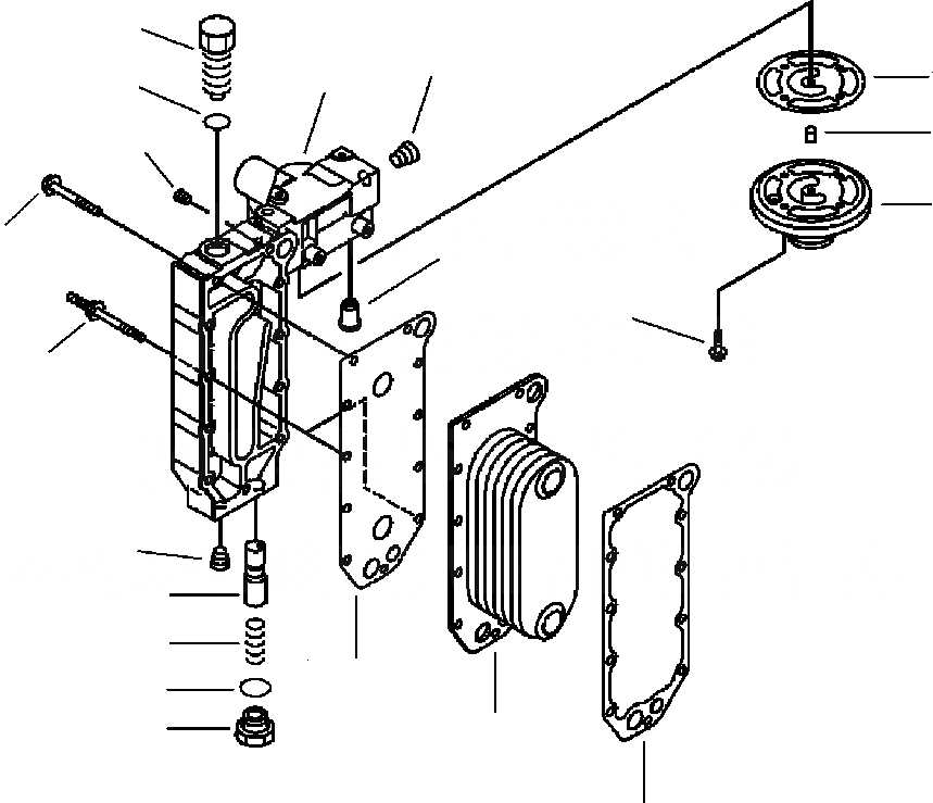
Запчасти Komatsu PC300HD-7L A-AA8 СИСТЕМА СМАЗКИ МАСЛООХЛАДИТЕЛЬ ДВИГАТЕЛЬ

Схема запчастей Komatsu PC300HD-7L - A-AA8 СИСТЕМА СМАЗКИ МАСЛООХЛАДИТЕЛЬ ДВИГАТЕЛЬ
18
7
5
1
17
2
10
4
11
6
3
12
8
20
9
14
16
15
19
13
FIT
1:1
100%

Артикул

Название

Примечание

Количество

|$0

6742-01-2500

HEAD ASSEMBLY, OIL FILTER

1

6743-51-5210

COVER, OIL COOLER

2

6742-01-2480

RING, DOWEL

3

6732-21-6610

BOLT

4

6742-01-2500

HEAD, OIL FILTER

5

6742-01-2491

GASKET, FILTER HEAD

6

6731-61-2151

VALVE, PRESSURE RELIEF

7

6732-11-1920

PLUG, PIPE

8

6732-11-1910

PLUG, PIPE

9

6743-61-2150

SPRING, COMPRESSION

10

6732-11-1930

PLUG, PIPE

11

6742-01-2441

BOLT

12

6741-61-6110

BOLT

13

6742-01-1080

GASKET, OIL COOLER CORE

14

6742-01-2460

GASKET, OIL COOLER COVER

|$15

6742-01-4220

PLUG, THREADED

15

NSS

PLUG, THREADED

16

6742-01-5118

SEAL, O-RING

|$18

6742-01-5117

VALVE, BYPASS

17

6742-01-2420

SEAL, O-RING

18

NSS

VALVE, BYPASS

19

6743-61-2210

CORE, COOLER

20

6742-01-5202

PLUNGER, PRESSURE REGULATOR

Выбрано товаров: 23