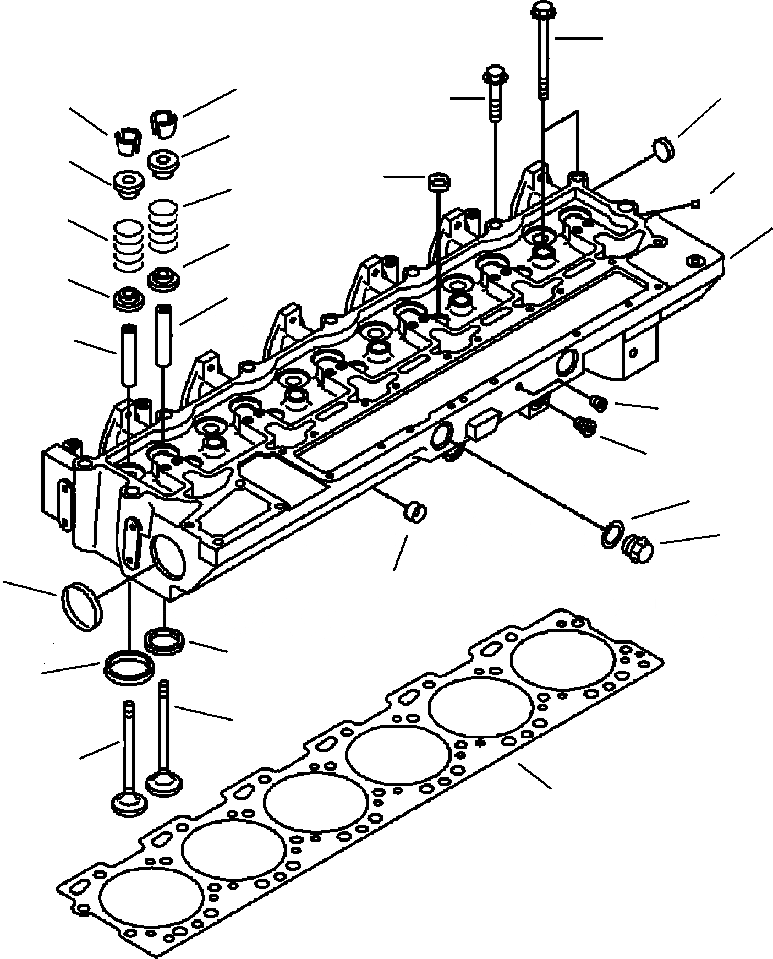
Запчасти Komatsu PC300HD-7L A-AA ГОЛОВКА ЦИЛИНДРОВ ДВИГАТЕЛЬ

Схема запчастей Komatsu PC300HD-7L - A-AA ГОЛОВКА ЦИЛИНДРОВ ДВИГАТЕЛЬ
21
18
4
16
22
20
20
8
3
19
19
1
14
14
7
7
9
13
11
10
2
12
6
5
17
15
23
FIT
1:1
100%

Артикул

Название

Примечание

Количество

|$0

6742-01-5530

CYLINDER HEAD ASSEMBLY

1

NSS

HEAD, CYLINDER

2

6742-01-1390

PLUG, EXPANSION

3

6736-21-1820

PLUG, EXPANSION

4

1296 803 H1

PLUG, EXPANSION

5

1241 223 H2

INSERT, VALVE

6

1307 586 H1

INSERT, VALVE

7

6742-01-3240

GUIDE, VALVE STEM

8

6742-01-2960

PLUG, PIPE

9

6732-61-2240

PLUG, PIPE

10

6736-21-5320

PLUG, THREADED

11

6732-21-5170

WASHER, SEALING

12

6742-01-3250

PLUG, EXPANSION

13

6732-11-1910

PLUG, PIPE

14

6742-01-5224

SEAL, VALVE STEM

|$15

1296 823 H1

KIT, INTAKE VALVE

15

NSS

VALVE, INTAKE

16

6742-01-2990

COLLET

|$18

6742-01-3000

EXHAUST VALVE ASSEMBLY

17

NSS

VALVE, EXHAUST

18

6742-01-2990

COLLET

19

6741-41-4410

SPRING, VALVE

20

6743-41-4510

RETAINER, VALVE SPRING

21

6743-11-1610

BOLT (M14-2.00x160)

22

6742-01-3270

BOLT (M14-2.00x80)

23

6742-01-5582

GASKET, CYLINDER HEAD

Выбрано товаров: 26