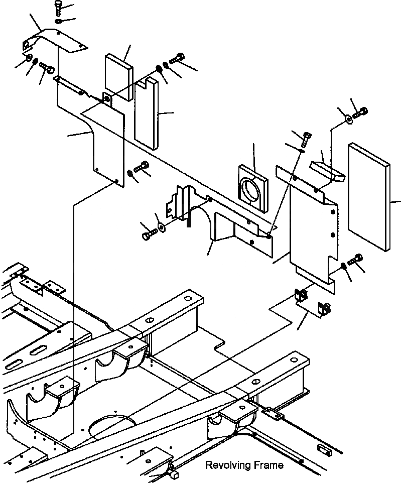
Запчасти Komatsu PC300HD-7L M-A ПЕРЕГОРОДКА. - ОТСЕК ДВИГАТЕЛЯ ПЕРЕДН. КАБИНА ЧАСТИ КОРПУСА

Схема запчастей Komatsu PC300HD-7L - M-A ПЕРЕГОРОДКА. - ОТСЕК ДВИГАТЕЛЯ ПЕРЕДН. КАБИНА ЧАСТИ КОРПУСА
5
4
6
3
11
24
10
25
26
9
20
21
2
18
23
1
19
17
7
8
16
28
27
22
15
13
14
12
FIT
1:1
100%

Артикул

Название

Примечание

Количество

1

207-54-72511

COVER

2

207-54-72861

SHEET

3

207-54-72871

SHEET

4

207-54-72561

COVER

5

01010-81230

BOLT

6

01643-31232

WASHER

7

01010-81230

BOLT

8

01643-31232

WASHER

9

01010-81230

BOLT

10

01643-31232

WASHER

11

203-54-62670

COLLAR

12

207-54-72651

CATCH

13

01010-81230

BOLT

14

01643-31232

WASHER

15

207-54-72571

COVER

16

207-54-72851

SHEET

17

207-54-72960

SHEET

18

01010-81230

BOLT

19

01643-31232

WASHER

20

01010-81230

BOLT

21

175-54-34170

WASHER

22

207-54-72581

COVER

23

207-54-72890

SHEET

24

01010-81230

BOLT

25

01643-31232

WASHER

26

208-54-57180

COLLAR

27

01010-81230

BOLT

28

175-54-34170

WASHER

Выбрано товаров: 28