Запчасти Komatsu PC300HD-7L R-A ГУСЕНИЧНАЯ РАМА РЕГУЛЯТОР заводской номер A8- ХОДОВАЯ

Схема запчастей Komatsu PC300HD-7L - R-A ГУСЕНИЧНАЯ РАМА РЕГУЛЯТОР заводской номер A8- ХОДОВАЯ
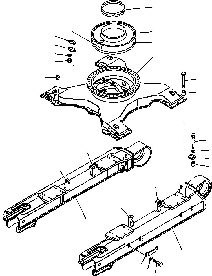
2
3
5
8
4
7
1
6
24
19
18
22
14
23
20
21
13
10
11
12
9
15
17
16
FIT
1:1
100%

Артикул

Название

Примечание

Количество

1

207-30-A1220

FRAME

2

205-30-71171

SEAL

3

208-30-61220

COVER

4

205-30-71181

COVER

5

205-30-71191

GASKET

6

01580-11008

NUT

7

01643-31032

WASHER

8

207-30-51260

SEAL

9

208-30-75142

FRAME, LEFT HAND

10

208-30-75E10

PLATE, ROLLER BRACKET

11

208-30-75E10

PLATE, ROLLER BRACKET

12

208-30-75152

FRAME, RIGHT HAND

13

208-30-75E10

PLATE, ROLLER BRACKET

14

208-30-75E10

PLATE, ROLLER BRACKET

15

208-30-71260

BRACKET, CLEAN STEP

16

01010-81640

BOLT

17

01643-31645

WASHER

18

208-30-75390

COLLAR

19

208-30-12130

BOLT

20

208-30-12160

PLATE

21

208-30-31650

COLLAR

22

01011-63030

BOLT

23

01643-33080

WASHER

24

07049-03949

PLUG

|$24

01580-03024

NUT

Выбрано товаров: 25