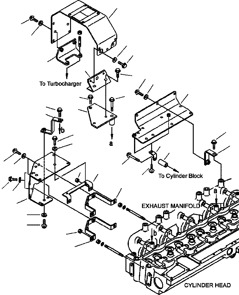
Запчасти Komatsu PC300HD-7L B-A ТЕРМОЗАЩИТА КОМПОНЕНТЫ ДВИГАТЕЛЯ

Схема запчастей Komatsu PC300HD-7L - B-A ТЕРМОЗАЩИТА КОМПОНЕНТЫ ДВИГАТЕЛЯ
15
16
17
17
16
14
12
13
25
10
18
11
5
9
4
7
8
19
23
21
7
8
22
3
2
20
1
7
8
7
3
1
24
26
8
6
FIT
1:1
100%

Артикул

Название

Примечание

Количество

1

6743-81-8450

BRACKET

2

6743-81-8461

BRACKET

3

01581-01008

NUT

4

6743-81-8470

BRACKET

5

01435-01016

BOLT

6

6743-81-8421

COVER

7

01435-00820

BOLT

8

154-61-16570

WASHER

9

6743-81-8480

PLATE

10

01435-01016

BOLT

11

01435-01055

BOLT

12

6743-81-8430

BRACKET

13

01435-01025

BOLT

14

6743-81-8440

BRACKET

15

6743-81-8410

COVER

16

01435-00820

BOLT

17

154-61-16570

WASHER

18

6741-11-5310

COVER

19

6050-71-5710

BRACKET

20

01435-00816

BOLT

21

6138-81-8660

SPACER

22

01435-00855

BOLT

23

6743-81-8490

BRACKET

24

01435-01016

BOLT

25

01435-00820

BOLT

26

154-61-16570

WASHER

Выбрано товаров: 0