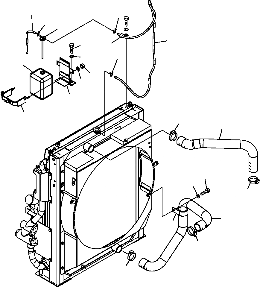
Запчасти Komatsu PC300HD-7L C-A ОХЛАЖД-Е СИСТЕМА ТРУБ РАДИАТОРА И ВТОРИЧН. БАК СИСТЕМА ОХЛАЖДЕНИЯ

Схема запчастей Komatsu PC300HD-7L - C-A ОХЛАЖД-Е СИСТЕМА ТРУБ РАДИАТОРА И ВТОРИЧН. БАК СИСТЕМА ОХЛАЖДЕНИЯ
16
17
17
9
18
19
14
17
15
8
12
13
11
7
6
4
5
7
1
3
2
2
10
FIT
1:1
100%

Артикул

Название

Примечание

Количество

1

207-03-71232

HOSE

2

07289-00070

CLAMP

3

207-62-33690

CLIP

4

01010-81225

BOLT

5

01643-31232

WASHER

6

207-03-71220

HOSE

7

07289-00070

CLAMP

8

20Y-06-15240

TANK ASSEMBLY

9

205-03-71532

CAP

|$9

205-03-71540

PACKING

10

207-03-71610

BRACKET

11

207-03-71620

BAND

12

01580-10806

NUT

13

01643-30823

WASHER

14

01010-81230

BOLT

15

01643-31232

WASHER

16

208-03-58310

HOSE

17

206-03-43340

CLIP

18

208-03-61230

HOSE, 1950 MM

19

04434-51210

CLIP

Выбрано товаров: 20