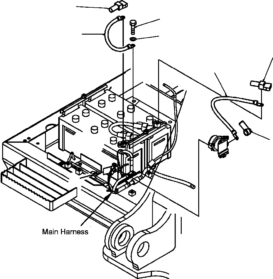
Запчасти Komatsu PC300HD-7L E-A ЭЛЕКТРОПРОВОДКА АККУМУЛЯТОРН. ОТСЕКЭЛЕКТРИКА

Схема запчастей Komatsu PC300HD-7L - E-A ЭЛЕКТРОПРОВОДКА АККУМУЛЯТОРН. ОТСЕК  ЭЛЕКТРИКА
3
6
1
7
4
2
5
8
FIT
1:1
100%

Артикул

Название

Примечание

Количество

1

08028-44040

CABLE

2

08028-64065

CABLE

3

08038-22511

CAP

4

08038-42511

CAP

5

08038-00035

CAP

6

01010-81025

BOLT

7

01643-31032

WASHER

8

08038-00519

CAP

Выбрано товаров: 8