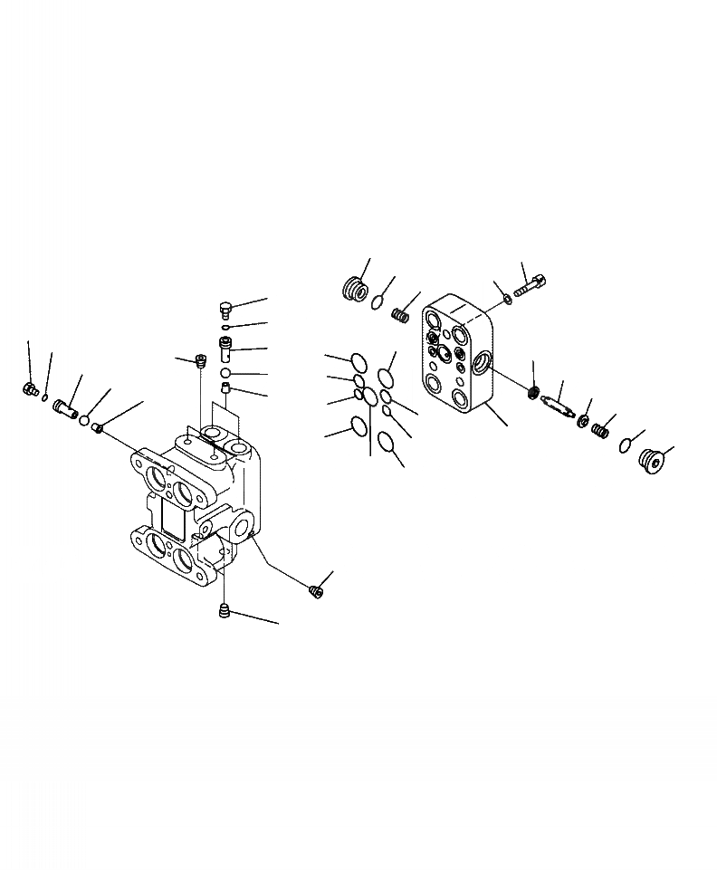
Запчасти Komatsu PC300HD-8 K-A КЛАПАН PPCДЛЯ ХОД (/) OPERATOR\XD S ОБСТАНОВКА И СИСТЕМА УПРАВЛЕНИЯ

Схема запчастей Komatsu PC300HD-8 - K-A КЛАПАН PPCДЛЯ ХОД (/) OPERATOR\XD S ОБСТАНОВКА И СИСТЕМА УПРАВЛЕНИЯ
13
19
14
20
12
3
4
3
15
4
6
11
15
1
6
10
5
16
5
11
7
7
12
17
16
14
9
15
13
17
18
15
8
2
FIT
1:1
100%

Артикул

Название

Примечание

Количество

1

NSS

PLUG

2

NSS

PLUG

3

07040-11209

PLUG

4

07002-11223

O-RING

5

NSS

BALL

6

702-16-55940

PLUG

7

702-16-55950

SEAT

8

NSS

SCREW

9

NSS

BODY, VALVE

10

NSS

SPOOL

11

702-16-57440

RETAINER

12

702-16-57450

SPRING

13

723-11-15110

PLUG

14

07002-11623

O-RING

15

07000-12015

O-RING

16

07000-11010

O-RING

17

07000-11007

O-RING

18

700-22-11410

O-RING

19

01252-60835

BOLT

20

01643-50823

WASHER

Выбрано товаров: 20