Запчасти Komatsu PC300HD-8 T-A РУКОЯТЬ . M И . M ПАЛЕЦ ПАТРУБКИ ЦИЛИНДРА КОВША РАБОЧЕЕ ОБОРУДОВАНИЕ

Схема запчастей Komatsu PC300HD-8 - T-A РУКОЯТЬ . M И . M ПАЛЕЦ ПАТРУБКИ ЦИЛИНДРА КОВША РАБОЧЕЕ ОБОРУДОВАНИЕ
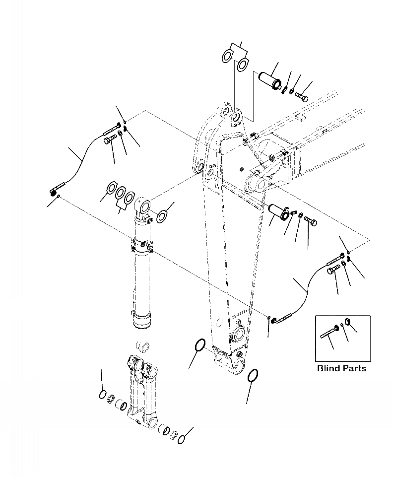
1
2
3
4
5
6
7
8
9
10
10
11
12
13
13
14
16
15
13
12
13
12
13
17
15
16
14
18
18
19
19
FIT
1:1
100%

Артикул

Название

Примечание

Количество

1

208-70-61241

PIN

2

205-70-66581

PLATE

3

01010-81235

BOLT

4

01643-31232

WASHER

5

207-70-72371

SPACER, 1.0 MM

6

207-70-61221

PIN

7

205-70-66581

PLATE

8

01010-81235

BOLT

9

01643-31232

WASHER

10

207-70-73261

SPACER, 1.0 MM

11

207-70-73271

SPACER, 2.0 MM

12

207-62-74190

HOSE

13

07000-13032

O-RING

14

07371-31049

FLANGE

15

07372-21035

BOLT

16

01643-51032

WASHER

17

07379-01044

FLANGE

18

207-70-33181

O-RING

19

205-70-73280

O-RING

Выбрано товаров: 19