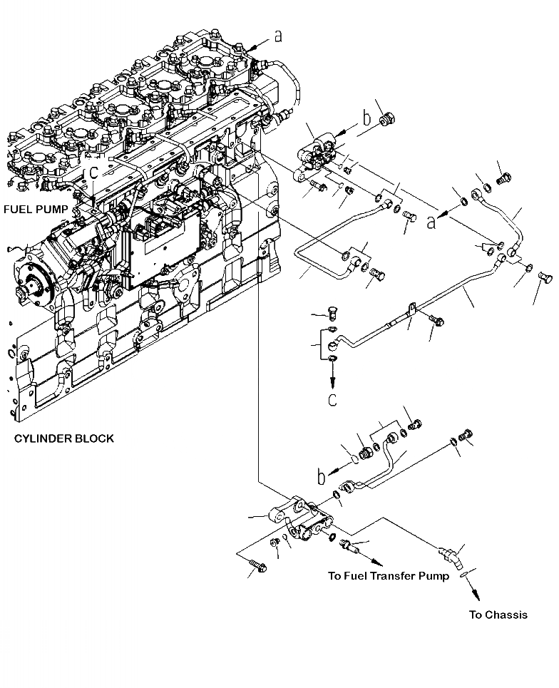
Запчасти Komatsu PC300HD-8 A-AA ТОПЛИВОПРОВОД. ДВИГАТЕЛЬ

Схема запчастей Komatsu PC300HD-8 - A-AA ТОПЛИВОПРОВОД. ДВИГАТЕЛЬ
22
1
4
19
3
15
16
20
17
25
27
15
13
11
12
11
14
9
7
18
8
21
10
33
34
31
32
30
33
34
34
26
5
29
24
6
23
2
28
FIT
1:1
100%

Артикул

Название

Примечание

Количество

1

6745-71-5610

CONNECTOR

2

6732-22-3110

BOLT

|$2

6732-21-1960

PLUG, THREADED

3

NSS

PLUG, THREADED

4

6215-81-9710

O-RING

5

6745-71-5180

ELBOW

6

02896-11009

O-RING

7

6745-71-5440

TUBE

8

6745-71-5450

CLIP

9

6732-71-6510

BOLT

10

6732-61-3140

BOLT

11

6745-71-1130

WASHER

12

6745-71-5460

TUBE

13

6732-71-6510

BOLT

14

6732-71-5620

CONNECTOR

15

6731-74-5910

WASHER

16

6745-71-1130

WASHER

17

6745-71-5470

TUBE

18

6732-71-6510

BOLT

19

6754-71-5430

VALVE, CHECK

20

6731-74-5910

WASHER

21

6745-71-1130

WASHER

22

6745-71-5190

PLUG

|$23

6744-71-3050

PLUG, THREADED

23

NSS

PLUG, THREADED

24

6737-51-8770

O-RING

25

6216-74-6190

BOLT

26

6745-71-5580

CONNECTOR

|$28

6744-71-3050

PLUG, THREADED

27

NSS

PLUG, THREADED

28

6737-51-8770

O-RING

29

6745-71-6130

CONNECTOR

30

6745-71-5480

TUBE

|$33

6745-71-5490

UNION

31

NSS

UNION

32

6735-21-4160

O-RING

33

6732-71-6510

BOLT

34

6745-71-1130

WASHER

Выбрано товаров: 38