Качественные детали и логистика
Оригинальные и аналоговые запчасти с доставкой по России, Казахстану и Беларуси
©2022 PartSell ООО "Система" ИНН 2463123282 ОГРН 1212400004838
Центральный офис: г. Красноярск, Академика Киренского, д.87, пом.4
Телефон: 8 (800) 777-65-74 Email: zakaz@partsell.ru
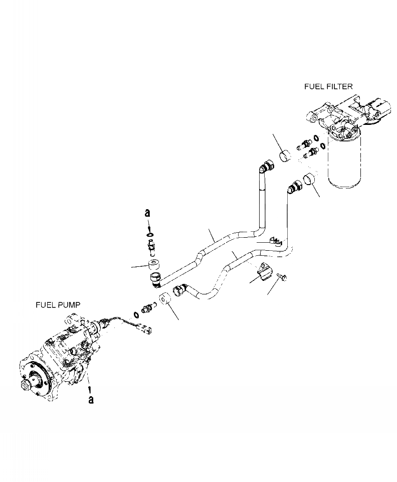
A-AA ТРУБЫ ТОПЛ. ФИЛЬТРА
№
Артикул
Название
Примечание
Количество
1
6745-71-5110
TUBE, FUEL SUPPLY
2
6745-71-5120
3
6745-71-5210
BRACE, TUBE
4
6736-21-5310
BOLT (M8-1.25x16)
5
6745-71-5220
CLAMP, TUBE
6
6745-71-5160
COVER, PROTECTIVE
Выбрано товаров: 0